Call us at (650) 938-8833 or email us at Sales@StcValve.net.
Download CAD File: 3V110-1/8 3V210-1/4
| Part No. | Valve Picture | Port Size (NPT) | Voltage | Electrical Connection | Port No / Position / Solenoid | Cv | Response Time | Power Rating |
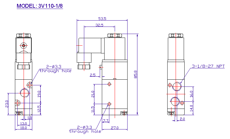
| 3V110-1/8 |
P = Supply Port (Normally Closed) A = Outlet Port EA = Exhaust Port |
1/8" | 1 = 12VDC 2 = 24VDC 2A = 24VAC 3 = 110VAC 4 = 220VAC (50/60Hz) |
G = Grommet D = DIN (with LED Indicator) |
3/2/1 Three Way Valve |
0.67 | <20ms | 2.5W |
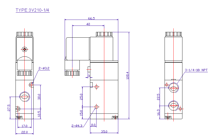
| 3V210-1/4 | 1/4" Inlet, Outlet, & Exhaust | 3/2/1 Three Way Valve |
0.78 | 3 to 4.8W | ||||
| 3V310-3/8 | 3/8" Inlet, Outlet, & Exhaust | 3/2/1 Three Way Valve |
1.68 | 3 to 4.8W | ||||
| 3V410-1/2 | 1/2" | 3/2/1 Three Way Valve |
2.79 | 3 to 4.8W |

| Home | Terms of Use | Terms of Sale | Career | Contact Us | Click Here to Order |
|
Sizto Tech Corporation © 2001- All rights reserved. Sizto Tech Corporation © 2001-2016. All rights reserved. Last modified: May 10, 2016. Information contained herein may be changed without prior notification. |
|||||