STC Valve Inc Logo Flow Control Valve Stainless Steel Push In Elbow Fitting Stainless Steel Compression Fitting Pneumatic Air Valve Bronze Two Way Process Valve Stainless Steel Manual Ball Valve Stainless Steel Air Actuated Ball Valve Manual Four Way Air Valve Air Filter Regulator Lubricator Combination Contact Us
Support & Downloads
Home 1 Push In Fittings 2 Stainless Steel Fittings 3 Compr.&
Barb Fittings
4 Solenoid Valves 5 Process Valves 6 Manual
Ball Valves
7 Actuated Valves 8 Air Valves 9 Air Regulators Click Here
to Order

Call us at (650) 938-8833 or email us at Sales@StcValve.net.

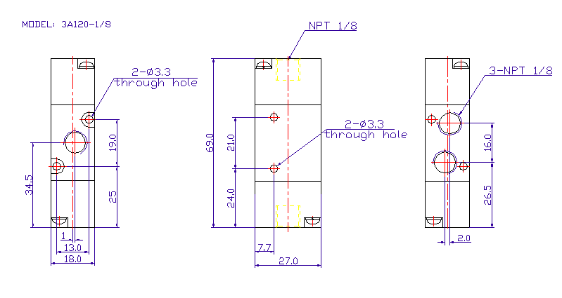
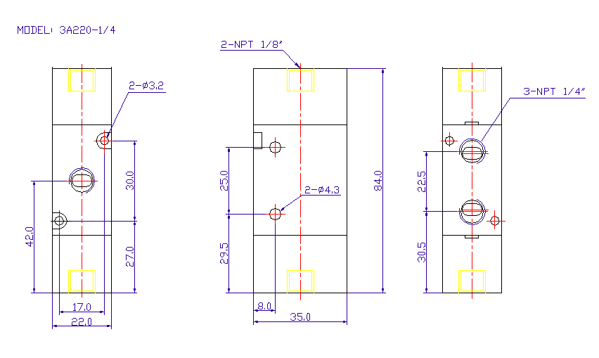
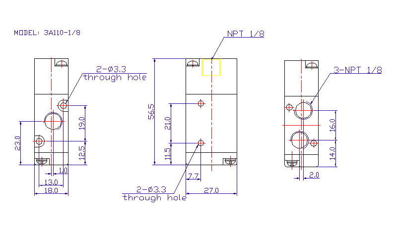
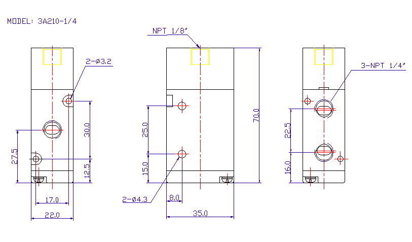
STC Solenoid Valve Specifications & Dimensions: 3A Series


Download CAD Drawings:   3A110-1/8   3A120-1/8   3A210-1/4   3A220-1/4
Specifications
Port & Mounting Body Ported, Stackable (Stacking Hardware Included)
Action & Motion Air Piloted, Two Position, 3 Way
Operating Pressure 28" Hg to 115PSI
Working Medium 40 micron filtered air, inert gas
Maximum Pressure 150PSI
Operating Temperature -5 to 80°C with non-freezing medium
Pilot Pressure -40 to 115PSI
Body Material Anodized Aluminum
Seal Material NBR (Buna N)
Lubrication Not Required





Home Terms of Use Terms of Sale Career Contact Us Click Here to Order
Sizto Tech Corporation © 2001- All rights reserved. Sizto Tech Corporation © 2001-2016. All rights reserved. Last modified: May 10, 2016.
Information contained herein may be changed without prior notification.