Call us at (650) 938-8833 or email us at Sales@StcValve.net.
Elbow & Tee Compression Fitting Specifications
| Specifications |
|
Pressure |
| Operating Temperature |
-425 to 600°F |
|
Tube (OD) |
Maximum Pressure (PSI @ 72°F)* |
|
1/16" |
|
10,000 |
| Material of Construction |
316 Stainless Steel |
|
1/8" |
2mm |
8,800 |
|
3/16" |
4mm |
5,500 |
| Compatible with |
Swagelok®, Parker A-Lok, Let-Lock, Yor-Lock |
|
1/4" |
6mm |
4,200 |
| Service |
Air, Water, Steam, Oil, Gasoline, Natural Gas, most solvents and acids that are compatible with 316SS |
|
5/16" |
8mm |
3,300 |
|
3/8" |
10mm |
2,800 |
|
|
1/2" |
12mm |
2,500 |
| 5/8" |
16mm |
2,300 |
| 3/4" |
18mm |
2,100 |
| 1" |
20mm |
1,900 |
|
*Maximum pressures are based on Type 304 and 316 annealed stainless steel welded tubing made to ASTM A213, A249, or A269 standards. |
| Male Branch Tee |
 |
 |
| Tube Size, ФD |
Thread Size |
Part No. |
A |
B |
C |
D |
E |
F |
G |
H |
J |
K |
| 1/8" | N1/8 | BTC 1/8 N1/8 | 23.6 | 10 | 18.1 | 12.7 | 3 | 12 | 12 | 17.0 | 31.0 | 47.2 |
| 1/8" | N1/4 | BTC 1/8 N1/4 | 24.6 | 13 | 22.2 | 12.7 | 3 | 14 | 12 | 18.0 | 36.0 | 49.2 |
| 1/4" | N1/8 | BTC 1/4 N1/8 | 27.0 | 10 | 19.1 | 15.2 | 5 | 12 | 14 | 19.6 | 39.2 | 54.0 |
| 1/4" | N1/4 | BTC 1/4 N1/4 | 27.0 | 13 | 22.2 | 15.2 | 5 | 14 | 14 | 19.6 | 39.2 | 54.0 |
| 1/4" | N3/8 | BTC 1/4 N3/8 | 29.8 | 14 | 26.0 | 15.2 | 5 | 17 | 14 | 22.4 | 44.8 | 59.6 |
| 1/4" | N1/2 | BTC 1/4 N1/2 | 31.8 | 17 | 31.0 | 15.2 | 5 | 22 | 14 | 24.4 | 48.8 | 63.6 |
| 3/8" | N1/8 | BTC 3/8 N1/8 | 30.5 | 10 | 21.1 | 16.8 | 8 | 17 | 17 | 21.3 | 42.6 | 61.0 |
| 3/8" | N1/4 | BTC 3/8 N1/4 | 30.5 | 13 | 24.2 | 16.8 | 8 | 17 | 17 | 21.3 | 42.6 | 61.0 |
| 3/8" | N3/8 | BTC 3/8 N1/2 | 31.2 | 14 | 26.0 | 16.8 | 8 | 17 | 17 | 23.1 | 46.2 | 62.4 |
| 3/8" | N1/2 | BTC 3/8 N1/2 | 33.3 | 17 | 31.0 | 16.8 | 8 | 22 | 17 | 26.0 | 52.0 | 66.6 |
| 1/2" | N1/8 | BTC 1/2 N1/8 | 36.0 | 10 | 25.7 | 22.8 | 10 | 22 | 22 | 25.9 | 51.8 | 72.0 |
| 1/2" | N1/4 | BTC 1/2 N1/4 | 36.0 | 13 | 27.0 | 22.8 | 10 | 22 | 22 | 25.9 | 51.8 | 72.0 |
| 1/2" | N3/8 | BTC 1/2 N3/8 | 36.0 | 14 | 28.0 | 22.8 | 10 | 22 | 22 | 25.9 | 51.8 | 72.0 |
| 1/2" | N1/2 | BTC 1/2 N1/2 | 36.0 | 17 | 31.0 | 22.8 | 10 | 22 | 22 | 25.9 | 51.8 | 72.0 |
| 1/2" | N3/4 | BTC 1/2 N3/4 | 39.8 | 19 | 36.8 | 22.8 | 10 | 27 | 22 | 29.7 | 59.4 | 79.6 |
| 1/2" | N1 | BTC 1/2 N1 | 45.3 | 22 | 45.2 | 22.8 | 10 | 35 | 22 | 35.2 | 70.4 | 90.6 |
| 5/8" | N3/8 | BTC 5/8 N3/8 | 38.1 | 14 | 30.0 | 24.4 | 12 | 24 | 27 | 27.9 | 55.8 | 76.2 |
| 5/8" | N1/2 | BTC 5/8 N1/2 | 38.1 | 17 | 33.1 | 24.4 | 12 | 24 | 27 | 27.9 | 55.8 | 76.2 |
| 5/8" | N3/4 | BTC 5/8 N3/4 | 40.0 | 19 | 36.8 | 24.4 | 12 | 27 | 27 | 29.7 | 59.4 | 80.0 |
| 3/4" | N3/4 | BTC 3/4 N3/4 | 40.5 | 19 | 36.8 | 24.4 | 15 | 27 | 30 | 29.7 | 59.4 | 81.0 |
| 1" | N3/4 | BTC 1 N3/4 | 49.0 | 19 | 41.7 | 31.3 | 21 | 35 | 38 | 36.8 | 73.6 | 98.0 |
| 1" | N1 | BTC 1 N1 | 49.0 | 22 | 44.5 | 31.3 | 21 | 35 | 38 | 36.8 | 73.6 | 98.0 |
|
| 4mm | R1/8 | BTC 4 R1/8 | 25.4 | 10 | 19.1 | 13.7 | 3 | 12 | 12 | 18.8 | 37.6 | 50.8 |
| 4mm | R1/4 | BTC 4 R1/4 | 25.4 | 13 | 22.2 | 13.7 | 3 | 14 | 12 | 18.8 | 37.6 | 50.8 |
| 6mm | R1/8 | BTC 6 R1/8 | 27.0 | 10 | 19.1 | 15.3 | 5 | 12 | 14 | 19.6 | 39.2 | 54.0 |
| 6mm | R1/4 | BTC 6 R1/4 | 27.0 | 13 | 22.2 | 15.3 | 5 | 14 | 14 | 19.6 | 39.2 | 54.0 |
| 6mm | R3/8 | BTC 6 R3/8 | 29.8 | 14 | 26.0 | 15.3 | 5 | 17 | 14 | 22.4 | 44.8 | 59.6 |
| 6mm | R1/2 | BTC 6 R1/2 | 31.8 | 17 | 31.0 | 15.3 | 5 | 22 | 14 | 24.4 | 48.8 | 63.6 |
| 8mm | R1/8 | BTC 8 R1/8 | 28.8 | 10 | 20.1 | 16.2 | 6 | 14 | 17 | 21.3 | 42.6 | 57.6 |
| 8mm | R1/4 | BTC 8 R1/4 | 28.8 | 13 | 23.2 | 16.2 | 6 | 14 | 17 | 21.3 | 42.6 | 57.6 |
| 8mm | R3/8 | BTC 8 R3/8 | 30.6 | 14 | 26.0 | 16.2 | 6 | 17 | 17 | 21.3 | 46.2 | 61.2 |
| 8mm | R1/2 | BTC 8 R1/2 | 32.6 | 17 | 31.0 | 16.2 | 6 | 22 | 17 | 23.1 | 50.2 | 65.2 |
| 10mm | R1/8 | BTC 10 R1/8 | 31.5 | 10 | 21.9 | 17.2 | 8 | 17 | 19 | 25.1 | 47.8 | 63.0 |
| 10mm | R1/4 | BTC 10 R1/4 | 31.5 | 13 | 25.0 | 17.2 | 8 | 17 | 19 | 23.9 | 47.8 | 63.0 |
| 10mm | R3/8 | BTC 10 R3/8 | 31.5 | 14 | 26.0 | 17.2 | 8 | 17 | 19 | 23.9 | 47.8 | 63.0 |
| 10mm | R1/2 | BTC 10 R1/2 | 33.5 | 17 | 31.0 | 17.2 | 8 | 22 | 19 | 25.9 | 51.8 | 67.0 |
| 12mm | R1/8 | BTC 12 R1/8 | 36.0 | 10 | 25.7 | 22.8 | 10 | 22 | 22 | 25.9 | 51.8 | 72.0 |
| 12mm | R1/4 | BTC 12 R1/4 | 36.0 | 13 | 27.0 | 22.8 | 10 | 22 | 22 | 25.9 | 51.8 | 72.0 |
| 12mm | R3/8 | BTC 12 R3/8 | 36.0 | 14 | 26.0 | 22.8 | 10 | 22 | 22 | 25.9 | 51.8 | 72.0 |
| 12mm | R1/2 | BTC 12 R1/2 | 36.0 | 17 | 31.0 | 22.8 | 10 | 22 | 22 | 25.9 | 51.8 | 72.0 |
| 12mm | R3/4 | BTC 1 R3/4 | 39.8 | 19 | 36.8 | 22.8 | 10 | 27 | 22 | 29.7 | 59.4 | 79.6 |
| 12mm | R1 | BTC 12 R1 | 45.3 | 22 | 45.2 | 22.8 | 10 | 35 | 22 | 35.2 | 70.0 | 90.6 |
|
Dimensions for Reference Use Only: Imperial fittings in mm, Metric fittings in mm, U.S.O. |
| Male Elbow |
 |
 |
| Tube Size, ФD |
Thread Size |
Part No. |
A |
B |
C |
D |
E |
F |
G |
H |
| 1/16" | N1/8 | MEC 1/16 N1/8 | 19.1 | 10 | 18.1 | 8.6 | 1 | 10 | 10 | 15.2 |
| 1/16" | N1/4 | MEC 1/16 N1/4 | 21.8 | 13 | 21.6 | 8.6 | 1 | 14 | 10 | 18 |
| 1/8" | N1/8 | MEC 1/8 N1/8 | 23.6 | 10 | 18.1 | 12.7 | 3 | 12 | 10 | 17 |
| 1/8" | N1/4 | MEC 1/8 N1/4 | 24.6 | 13 | 22.2 | 12.7 | 3 | 14 | 10 | 18 |
| 1/8" | N3/8 | MEC 1/8 N3/8 | 28.4 | 14 | 26.8 | 12.7 | 3 | 17 | 10 | 21.8 |
| 1/8" | N1/2 | MEC 1/8 N1/2 | 31.3 | 17 | 32.7 | 12.7 | 3 | 22 | 10 | 24.7 |
| 3/16" | N1/8 | MEC 3/16 N1/8 | 25.4 | 10 | 19.1 | 13.7 | 3 | 12 | 12 | 18.8 |
| 3/16" | N1/4 | MEC 3/16 N1/4 | 25.4 | 13 | 22.2 | 13.7 | 3 | 14 | 12 | 18.6 |
| 1/4" | N1/8 | MEC 1/4 N1/8 | 27 | 10 | 19.1 | 15.3 | 5 | 12 | 14 | 19.6 |
| 1/4" | N1/4 | MEC 1/4 N1/4 | 27 | 13 | 22.2 | 15.3 | 5 | 14 | 14 | 19.6 |
| 1/4" | N3/8 | MEC 1/4 N3/8 | 29.7 | 14 | 26 | 15.3 | 5 | 17 | 14 | 22.4 |
| 1/4" | N1/2 | MEC 1/4 N1/2 | 31.8 | 17 | 31 | 15.3 | 5 | 22 | 14 | 24.4 |
| 3/8" | N1/8 | MEC 3/8 N1/8 | 30.5 | 10 | 21.1 | 16.8 | 6 | 17 | 17 | 21.3 |
| 3/8" | N1/4 | MEC 3/8 N1/4 | 30.5 | 13 | 24.2 | 16.8 | 8 | 17 | 17 | 21.3 |
| 3/8" | N3/8 | MEC 3/8 N3/8 | 31.5 | 14 | 26 | 16.8 | 8 | 17 | 17 | 23.1 |
| 3/8" | N1/2 | MEC 3/8 N1/2 | 33.3 | 17 | 31 | 16.8 | 8 | 22 | 17 | 26 |
| 1/2" | N1/8 | MEC 1/2 N1/8 | 36.1 | 10 | 25.7 | 22.8 | 10 | 22 | 22 | 26 |
| 1/2" | N1/4 | MEC 1/2 N1/4 | 36.1 | 13 | 27 | 22.8 | 10 | 22 | 22 | 26 |
| 1/2" | N3/8 | MEC 1/2 N3/8 | 36.1 | 14 | 29 | 22.8 | 10 | 22 | 22 | 26 |
| 1/2" | N1/2 | MEC 1/2 N1/2 | 36.1 | 17 | 31 | 22.8 | 10 | 22 | 22 | 26 |
| 1/2" | N3/4 | MEC 1/2 N3/4 | 40 | 19 | 36.8 | 22.8 | 10 | 22 | 22 | 29.7 |
| 1/2" | N1 | MEC 1/2 N1 | 45.3 | 22 | 45.2 | 22.8 | 10 | 22 | 22 | 35.2 |
| 5/8" | N3/8 | MEC 5/8 N3/8 | 38.1 | 14 | 30 | 24.4 | 12 | 24 | 27 | 27.9 |
| 5/8" | N1/2 | MEC 5/8 N1/2 | 38.1 | 17 | 33.1 | 24.4 | 12 | 24 | 27 | 27.9 |
| 5/8" | N3/4 | MEC 5/8 N3/4 | 40 | 19 | 36.8 | 24.4 | 12 | 27 | 27 | 29.7 |
| 3/4" | N1/2 | MEC 3/4 N1/2 | 40 | 17 | 34.8 | 24.4 | 15 | 27 | 30 | 29.7 |
| 3/4" | N3/4 | MEC 3/4 N3/4 | 40.5 | 19 | 36.8 | 24.4 | 15 | 27 | 30 | 29.7 |
| 1" | N3/4 | MEC 1 N3/4 | 49 | 19 | 41.7 | 31.3 | 21 | 34 | 38 | 36.8 |
| 1" | N1 | MEC 1 N1 | 49 | 22 | 44.5 | 31.3 | 21 | 34 | 38 | 36.8 |
|
| 4mm | R1/8 | MEC 4 R1/8 | 25.4 | 10 | 19.1 | 13.7 | 3 | 12 | 12 | 18.8 |
| 4mm | R1/4 | MEC 4 R1/4 | 26.6 | 13 | 22.2 | 13.7 | 3 | 14 | 12 | 20 |
| 4mm | R3/8 | MEC 4 R3/8 | 28.4 | 14 | 26 | 13.7 | 3 | 17 | 12 | 21.8 |
| 4mm | R1/2 | MEC 4 R1/2 | 31.3 | 17 | 31 | 13.7 | 3 | 22 | 12 | 24.7 |
| 6mm | R1/8 | MEC 6 R1/8 | 27 | 10 | 19.1 | 15.3 | 5 | 12 | 14 | 19.6 |
| 6mm | R1/4 | MEC 6 R1/4 | 27 | 13 | 22.2 | 15.3 | 5 | 14 | 14 | 19.6 |
| 6mm | R3/8 | MEC 6 R3/8 | 29.8 | 14 | 26 | 15.3 | 5 | 17 | 14 | 22.4 |
| 6mm | R1/2 | MEC 6 R1/2 | 31.8 | 17 | 31 | 15.3 | 5 | 22 | 14 | 24.4 |
| 8mm | R1/8 | MEC 8 R1/8 | 28.8 | 10 | 20.1 | 16.2 | 6 | 14 | 17 | 21.3 |
| 8mm | R1/4 | MEC 8 R1/4 | 28.8 | 13 | 23.2 | 16.2 | 6 | 14 | 17 | 21.3 |
| 8mm | R3/8 | MEC 8 R3/8 | 30.6 | 14 | 26 | 16.2 | 6 | 17 | 17 | 23.1 |
| 8mm | R1/2 | MEC 8 R1/2 | 32.6 | 17 | 31 | 16.2 | 6 | 22 | 17 | 25.1 |
| 10mm | R1/8 | MEC 10 R1/8 | 31.5 | 10 | 21.9 | 17.2 | 6 | 17 | 19 | 23.9 |
| 10mm | R1/4 | MEC 10 R1/4 | 31.5 | 13 | 25 | 17.2 | 8 | 17 | 19 | 23.9 |
| 10mm | R3/8 | MEC 10 R3/8 | 31.5 | 14 | 26 | 17.2 | 8 | 17 | 19 | 23.9 |
| 10mm | R1/2 | MEC 10 R1/2 | 33.5 | 17 | 31 | 17.2 | 8 | 22 | 19 | 25.9 |
| 12mm | R1/8 | MEC 12 R1/8 | 36 | 10 | 25.7 | 22.8 | 10 | 22 | 22 | 25.9 |
| 12mm | R1/4 | MEC 12 R1/4 | 36 | 13 | 27 | 22.8 | 10 | 22 | 22 | 25.9 |
| 12mm | R3/8 | MEC 12 R3/8 | 36 | 14 | 28 | 22.8 | 10 | 22 | 22 | 25.9 |
| 12mm | R1/2 | MEC 12 R1/2 | 36 | 17 | 31 | 22.8 | 10 | 22 | 22 | 25.9 |
| 12mm | R3/4 | MEC 12 R3/4 | 39.8 | 19 | 36.8 | 22.8 | 10 | 27 | 22 | 29.7 |
| 12mm | R1 | MEC 12 R1 | 45.3 | 22 | 45.2 | 22.8 | 10 | 34 | 22 | 35.2 |
|
Dimensions for Reference Use Only: Imperial fittings in mm, Metric fittings in mm, U.S.O. |
| Female Elbow |
 |
 |
| Tube Size, ФD |
Thread Size |
Part No. |
A |
C |
D |
E |
F |
G |
H |
| 1/4" | N1/8 | FEC 1/4 N1/8 | 27.0 | 19.1 | 15.3 | 5 | 14 | 14 | 19.6 |
| 1/4" | N1/4 | FEC 1/4 N1/4 | 29.7 | 22.4 | 15.3 | 5 | 17 | 14 | 22.4 |
| 1/4" | N3/8 | FEC 1/4 N3/8 | 34.6 | 22.4 | 15.3 | 5 | 22 | 14 | 27.2 |
| 1/4" | N1/2 | FEC 1/4 N1/2 | 37.7 | 28.4 | 15.3 | 5 | 27 | 14 | 30.3 |
| 3/8" | N1/8 | FEC 3/8 N1/8 | 30.5 | 19.8 | 16.8 | 7 | 17 | 17 | 23.1 |
| 3/8" | N1/4 | FEC 3/8 N1/4 | 31.2 | 22.4 | 16.8 | 7 | 17 | 17 | 24 |
| 3/8" | N3/8 | FEC 3/8 N3/8 | 33.3 | 22.4 | 16.8 | 7 | 22 | 17 | 26 |
| 3/8" | N1/2 | FEC 3/8 N1/2 | 36.1 | 28.4 | 16.8 | 7 | 27 | 17 | 28.7 |
| 1/2" | N1/8 | FEC 1/2 N1/8 | 36 | 22.4 | 22.8 | 10 | 22 | 22 | 25.9 |
| 1/2" | N1/4 | FEC 1/2 N1/4 | 36.1 | 22.4 | 22.8 | 10 | 22 | 22 | 26.0 |
| 1/2" | N3/8 | FEC 1/2 N3/8 | 36.1 | 22.4 | 22.8 | 10 | 22 | 22 | 26.0 |
| 1/2" | N1/2 | FEC 1/2 N1/2 | 39.0 | 28.4 | 22.8 | 10 | 27 | 22 | 28.7 |
| 1/2" | N3/4 | FEC 1/2 N3/4 | 41.8 | 32.4 | 22.8 | 10 | 32 | 32 | 31.7 |
| 5/8" | N3/4 | FEC 5/8 N3/4 | 42.8 | 32.4 | 24.4 | 12 | 32 | 27 | 32.7 |
| 3/4" | N1/2 | FEC 3/4 N1/2 | 39.9 | 28.4 | 24.4 | 15 | 27 | 30 | 29.7 |
| 3/4" | N3/4 | FEC 3/4 N3/4 | 44.7 | 32.4 | 24.4 | 15 | 32 | 30 | 34.5 |
| 1" | N3/4 | FEC 1 N3/4 | 49.0 | 32.4 | 31.3 | 21 | 34 | 38 | 36.8 |
|
| 6mm | R1/8 | FEC 6 R1/8 | 27.0 | 19.1 | 15.3 | 5 | 14 | 14 | 19.6 |
| 6mm | R1/4 | FEC 6 R1/4 | 29.8 | 22.4 | 15.3 | 5 | 17 | 14 | 22.4 |
| 6mm | R3/8 | FEC 6 R3/8 | 34.6 | 22.4 | 15.3 | 5 | 22 | 14 | 27.2 |
| 6mm | R1/2 | FEC 6 R1/2 | 37.7 | 26.4 | 15.3 | 5 | 27 | 14 | 30.3 |
| 8mm | R1/8 | FEC 8 R1/8 | 29.3 | 20.0 | 16.2 | 6 | 14 | 17 | 21.8 |
| 8mm | R1/4 | FEC 8 R1/4 | 30.6 | 22.4 | 16.2 | 6 | 17 | 17 | 23.1 |
| 8mm | R3/8 | FEC 8 R3/8 | 34 | 27.7 | 16.2 | 6 | 22 | 17 | 26.5 |
| 8mm | R1/2 | FEC 8 R1/2 | 36.8 | 31.7 | 16.2 | 6 | 27 | 17 | 29.3 |
| 10mm | R1/8 | FEC 10 R1/8 | 31.5 | 19.0 | 17.2 | 8 | 17 | 19 | 23.9 |
| 10mm | R1/4 | FEC 10 R1/4 | 33.5 | 22.4 | 17.2 | 8 | 17 | 19 | 25.9 |
| 10mm | R3/8 | FEC 10 R3/8 | 37.5 | 27.7 | 17.2 | 8 | 17 | 19 | 29.9 |
| 10mm | R1/2 | FEC 10 R1/2 | 40.3 | 31.7 | 17.2 | 8 | 22 | 19 | 32.7 |
| 12mm | R1/8 | FEC 12 R1/8 | 36.0 | 22.4 | 22.8 | 10 | 22 | 22 | 25.9 |
| 12mm | R1/4 | FEC 12 R1/4 | 36.0 | 22.4 | 22.8 | 10 | 22 | 22 | 25.9 |
| 12mm | R3/8 | FEC 12 R3/8 | 36.0 | 22.4 | 22.8 | 10 | 22 | 22 | 29.9 |
| 12mm | R1/2 | FEC 12 R1/2 | 38.8 | 28.4 | 22.8 | 10 | 27 | 22 | 28.7 |
| 12mm | R3/4 | FEC 12 R3/4 | 41.8 | 32.4 | 22.8 | 10 | 32 | 22 | 31.7 |
|
Dimensions for Reference Use Only: Imperial fittings in mm, Metric fittings in mm, U.S.O. |
| Male Run Tee |
 |
 |
| Tube Size, ФD |
Thread Size |
Part No. |
A |
B |
D |
E |
F |
G |
H |
J |
K |
| 1/8" | N1/8 | RTC 1/8 N1/8 | 23.6 | 10 | 12.7 | 3 | 12 | 12 | 17.0 | 35.1 | 41.7 |
| 1/8" | N1/4 | RTC 1/8 N1/4 | 24.6 | 13 | 12.7 | 3 | 14 | 12 | 18.0 | 40.2 | 47.6 |
| 1/4" | N1/8 | RTC 1/4 N1/8 | 27.0 | 10 | 15.2 | 5 | 12 | 14 | 19.6 | 38.7 | 46.1 |
| 1/4" | N1/4 | RTC 1/4 N1/4 | 27.0 | 13 | 15.2 | 5 | 14 | 14 | 19.6 | 41.8 | 49.2 |
| 1/4" | N3/8 | RTC 1/4 N3/8 | 29.8 | 14 | 15.2 | 5 | 17 | 14 | 22.4 | 48.4 | 55.8 |
| 1/4" | N1/2 | RTC 1/4 N1/2 | 31.8 | 17 | 15.2 | 5 | 22 | 14 | 24.4 | 55.4 | 62.8 |
| 3/8" | N1/8 | RTC 3/8 N1/8 | 30.5 | 11 | 16.8 | 8 | 17 | 17 | 21.3 | 42.4 | 48.9 |
| 3/8" | N1/4 | RTC 3/8 N1/4 | 30.5 | 13 | 16.8 | 8 | 17 | 17 | 21.3 | 45.5 | 52.0 |
| 3/8" | N3/8 | RTC 3/8 N3/8 | 31.2 | 14 | 16.8 | 8 | 17 | 17 | 23.1 | 49.1 | 54.8 |
| 3/8" | N1/2 | RTC 3/8 N1/2 | 33.3 | 17 | 16.8 | 8 | 22 | 17 | 26.0 | 57.0 | 64.3 |
| 1/2" | N1/8 | RTC 1/2 N1/8 | 36.0 | 11 | 22.8 | 10 | 22 | 22 | 25.9 | 51.6 | 61.7 |
| 1/2" | N1/4 | RTC 1/2 N1/4 | 36.0 | 13 | 22.8 | 10 | 22 | 22 | 25.9 | 52.9 | 63.0 |
| 1/2" | N3/8 | RTC 1/2 N3/8 | 36.0 | 14 | 22.8 | 10 | 22 | 22 | 25.9 | 53.9 | 64.0 |
| 1/2" | N1/2 | RTC 1/2 N1/2 | 36.0 | 17 | 22.8 | 10 | 22 | 22 | 25.9 | 56.9 | 67.0 |
| 1/2" | N3/4 | RTC 1/2 N3/4 | 39.8 | 19 | 22.8 | 10 | 27 | 22 | 29.7 | 66.5 | 76.6 |
| 1/2" | N1 | RTC 1/2 N1 | 45.3 | 22 | 22.8 | 10 | 34 | 22 | 35.2 | 80.4 | 90.5 |
| 5/8" | N3/8 | RTC 5/8 N3/8 | 38.1 | 14 | 24.4 | 12 | 24 | 27 | 27.9 | 57.9 | 68.1 |
| 5/8" | N1/2 | RTC 5/8 N1/2 | 38.1 | 17 | 24.4 | 12 | 24 | 27 | 27.9 | 61.0 | 71.2 |
| 5/8" | N3/4 | RTC 5/8 N3/4 | 40.0 | 19 | 24.4 | 12 | 27 | 27 | 29.7 | 66.5 | 76.8 |
| 3/4" | N1/2 | RTC 3/4 N1/2 | 40.0 | 17 | 24.4 | 15 | 27 | 30 | 29.7 | 66.5 | 76.8 |
| 3/4" | N3/4 | RTC 3/4 N3/4 | 40.0 | 19 | 24.4 | 15 | 34 | 30 | 29.7 | 66.5 | 76.8 |
| 1" | N3/4 | RTC 1 N3/4 | 49.1 | 19 | 31.3 | 21 | 34 | 38 | 36.8 | 78.5 | 90.8 |
| 1" | N1 | RTC 1 N1 | 49.1 | 22 | 31.3 | 21 | 34 | 38 | 36.8 | 81.3 | 90.8 |
|
| 4mm | R1/8 | RTC 4 R1/8 | 25.4 | 10 | 15.3 | 3 | 12 | 12 | 18.8 | 37.9 | 44.5 |
| 4mm | R1/4 | RTC 4 R1/4 | 25.4 | 13 | 15.3 | 3 | 14 | 12 | 18.8 | 41.0 | 47.6 |
| 6mm | R1/8 | RTC 6 R1/8 | 27.0 | 10 | 15.3 | 5 | 12 | 14 | 19.6 | 38.7 | 46.1 |
| 6mm | R1/4 | RTC 6 R1/4 | 27.0 | 13 | 15.3 | 5 | 14 | 14 | 19.6 | 41.8 | 49.2 |
| 6mm | R3/8 | RTC 6 R3/8 | 29.8 | 14 | 15.3 | 5 | 17 | 14 | 22.4 | 48.4 | 55.8 |
| 6mm | R1/2 | RTC 6 R1/2 | 31.8 | 17 | 15.3 | 5 | 22 | 14 | 24.4 | 55.4 | 62.8 |
| 8mm | R1/8 | RTC 8 R1/8 | 28.8 | 10 | 16.2 | 6 | 14 | 17 | 21.3 | 41.4 | 48.9 |
| 8mm | R1/4 | RTC 8 R1/4 | 28.8 | 13 | 16.2 | 6 | 14 | 17 | 21.3 | 46.3 | 52.0 |
| 8mm | R3/8 | RTC 8 R3/8 | 28.8 | 14 | 16.2 | 6 | 17 | 17 | 2.1 | 49.1 | 54.8 |
| 8mm | R1/2 | RTC 8 R1/2 | 30.6 | 17 | 16.2 | 6 | 22 | 17 | 25.1 | 56.1 | 61.6 |
| 10mm | R1/8 | RTC 10 R1/8 | 31.5 | 10 | 17.2 | 8 | 17 | 19 | 23.9 | 45.8 | 53.4 |
| 10mm | R1/4 | RTC 10 R1/4 | 31.5 | 13 | 17.2 | 8 | 17 | 19 | 23.9 | 48.9 | 56.5 |
| 10mm | R3/8 | RTC 10 R3/8 | 31.5 | 14 | 17.2 | 8 | 17 | 19 | 23.9 | 49.9 | 57.5 |
| 10mm | R1/2 | RTC 10 R1/2 | 33.5 | 17 | 17.2 | 8 | 22 | 19 | 25.9 | 56.9 | 64.5 |
| 12mm | R1/8 | RTC 12 R1/8 | 36.0 | 10 | 22.8 | 10 | 22 | 22 | 25.9 | 51.6 | 61.7 |
| 12mm | R1/4 | RTC 12 R1/4 | 36.0 | 13 | 22.8 | 10 | 22 | 22 | 25.9 | 52.9 | 63.0 |
| 12mm | R3/8 | RTC 12 R3/8 | 36.0 | 14 | 22.8 | 10 | 22 | 22 | 25.9 | 53.9 | 64.0 |
| 12mm | R1/2 | RTC 12 R1/2 | 36.0 | 17 | 22.8 | 10 | 22 | 22 | 25.9 | 56.9 | 67.0 |
| 12mm | R3/4 | RTC 12 R3/4 | 39.8 | 19 | 22.8 | 10 | 27 | 22 | 29.7 | 66.5 | 76.6 |
| 12mm | R1 | RTC 12 R1 | 45.3 | 22 | 22.8 | 10 | 34 | 22 | 35.2 | 80.4 | 90.5 |
|
Dimensions for Reference Use Only: Imperial fittings in mm, Metric fittings in mm, U.S.O. |
| Female Run Tee |
 |
 |
| Tube Size, ФD |
Thread Size |
Part No. |
A |
D |
E |
F |
G |
H |
J |
K |
| 1/4" | N1/8 | FRC 1/4 N1/8 | 27.0 | 15.2 | 5 | 14 | 14 | 19.6 | 38.6 | 46.0 |
| 1/4" | N1/4 | FRC 1/4 N1/4 | 29.8 | 15.2 | 5 | 17 | 14 | 22.4 | 44.7 | 52.1 |
| 1/4" | N3/8 | FRC 1/4 N3/8 | 34.6 | 15.2 | 5 | 22 | 14 | 27.2 | 49.6 | 57.0 |
| 1/4" | N1/2 | FRC 1/4 N1/2 | 37.7 | 15.2 | 5 | 27 | 14 | 30.2 | 58.7 | 66.1 |
| 3/8" | N1/8 | FRC 3/8 N1/8 | 30.5 | 16.8 | 7 | 17 | 17 | 23.1 | 42.9 | 50.3 |
| 3/8" | N1/4 | FRC 3/8 N1/4 | 31.2 | 16.8 | 7 | 17 | 17 | 24.0 | 46.4 | 53.6 |
| 3/8" | N3/8 | FRC 3/8 N3/8 | 33.3 | 16.8 | 7 | 22 | 17 | 26.0 | 48.4 | 55.7 |
| 3/8" | N1/2 | FRC 3/8 N1/2 | 36.1 | 16.8 | 7 | 27 | 17 | 28.7 | 57.1 | 64.2 |
| 1/2" | N1/8 | FRC 1/2 N1/8 | 36.0 | 22.8 | 10 | 22 | 22 | 25.9 | 48.3 | 58.4 |
| 1/2" | N1/4 | FRC 1/2 N1/4 | 36.0 | 22.8 | 10 | 22 | 22 | 25.9 | 48.3 | 58.4 |
| 1/2" | N3/8 | FRC 1/2 N3/8 | 36.0 | 22.8 | 10 | 22 | 22 | 26.0 | 48.3 | 58.4 |
| 1/2" | N1/2 | FRC 1/2 N1/2 | 38.8 | 22.8 | 10 | 22 | 22 | 28.7 | 57.1 | 67.2 |
| 1/2" | N3/4 | FRC 1/2 N3/4 | 41.8 | 22.8 | 10 | 22 | 22 | 31.7 | 64.1 | 74.2 |
| 3/4" | N1 | FRC 3/4 N1/2 | 39.9 | 24.4 | 15 | 27 | 30 | 29.7 | 51.8 | 68.3 |
| 3/4" | N3/4 | FRC 3/4 N3/4 | 44.7 | 24.4 | 15 | 32 | 30 | 34.5 | 66.2 | 76.4 |
| 1" | N3/4 | FRC 1 N3/4 | 50.5 | 31.3 | 21 | 34 | 38 | 38.2 | 75.6 | 87.9 |
|
| 6mm | R1/8 | FRC 6 R1/8 | 27.0 | 15.3 | 5 | 14 | 14 | 19.6 | 38.6 | 46.0 |
| 6mm | R1/4 | FRC 6 R1/4 | 29.8 | 15.3 | 5 | 17 | 14 | 22.4 | 44.7 | 52.1 |
| 6mm | R3/8 | FRC 6 R3/8 | 34.6 | 15.3 | 5 | 22 | 14 | 27.2 | 58.7 | 57.0 |
| 6mm | R1/2 | FRC 6 R1/2 | 37.7 | 15.3 | 5 | 27 | 14 | 30.2 | 41.4 | 66.1 |
| 8mm | R1/8 | FRC 8 R1/8 | 29.9 | 16.2 | 6 | 14 | 17 | 22.4 | 41.4 | 48.9 |
| 8mm | R1/4 | FRC 8 R1/4 | 30.6 | 16.2 | 6 | 17 | 17 | 23.1 | 45.5 | 53.0 |
| 8mm | R3/8 | FRC 8 R3/8 | 34.0 | 16.2 | 6 | 22 | 17 | 26.5 | 54.2 | 61.7 |
| 8mm | R1/2 | FRC 8 R1/2 | 36.8 | 16.2 | 6 | 27 | 17 | 29.3 | 61.0 | 68.5 |
| 10mm | R1/8 | FRC 10 R1/8 | 31.5 | 17.2 | 8 | 17 | 19 | 23.9 | 42.9 | 50.5 |
| 10mm | R1/4 | FRC 10 R1/4 | 33.5 | 17.2 | 8 | 17 | 19 | 25.9 | 48.3 | 55.9 |
| 10mm | R3/8 | FRC 10 R3/8 | 37.5 | 17.2 | 8 | 17 | 19 | 29.9 | 57.6 | 65.2 |
| 10mm | R1/2 | FRC 10 R1/2 | 40.3 | 17.2 | 8 | 17 | 19 | 32.7 | 64.4 | 72.0 |
| 12mm | R1/8 | FRC 12 R1/8 | 36.0 | 22.8 | 10 | 22 | 22 | 25.9 | 48.3 | 58.4 |
| 12mm | R1/4 | FRC 12 R1/4 | 36.0 | 22.8 | 10 | 22 | 22 | 25.9 | 48.3 | 58.4 |
| 12mm | R3/8 | FRC 12 R3/8 | 36.0 | 22.8 | 10 | 22 | 22 | 25.9 | 48.3 | 58.4 |
| 12mm | R1/2 | FRC 12 R1/2 | 38.8 | 22.8 | 10 | 27 | 22 | 28.7 | 57.1 | 67.2 |
| 12mm | R3/4 | FRC 12 R3/4 | 41.8 | 22.8 | 10 | 32 | 22 | 31.7 | 64.1 | 74.2 |
|
Dimensions for Reference Use Only: Imperial fittings in mm, Metric fittings in mm, U.S.O. |
| Elbow Union |
 |
 |
| Tube Size, ФD |
Part No. |
A |
D |
E |
F |
G |
H |
| 1/16" | EUC 1/16 | 17.8 | 8.6 | 1 | 10 | 10 | 14.0 |
| 1/8" | EUC 1/8 | 22.4 | 12.7 | 3 | 12 | 12 | 15.8 |
| 3/16" | EUC 3/16 | 25.4 | 13.7 | 3 | 12 | 12 | 18.8 |
| 1/4" | EUC 1/4 | 27.0 | 15.2 | 5 | 12 | 14 | 19.6 |
| 3/8" | EUC 3/8 | 30.5 | 16.8 | 8 | 17 | 17 | 21.3 |
| 1/2" | EUC 1/2 | 36.0 | 22.8 | 10 | 22 | 22 | 23.1 |
| 5/8" | EUC 5/8 | 38.1 | 24.4 | 12 | 24 | 27 | 26.0 |
| 3/4" | EUC 3/4 | 40.0 | 24.4 | 15 | 27 | 30 | 29.7 |
| 1" | EUC 1 | 49.0 | 26.0 | 21 | 34 | 38 | 36.8 |
|
| 4mm | EUC 4 | 25.4 | 13.7 | 3 | 12 | 12 | 18.8 |
| 6mm | EUC 6 | 27.0 | 15.3 | 5 | 12 | 14 | 19.6 |
| 8mm | EUC 8 | 28.8 | 16.2 | 6 | 14 | 17 | 21.3 |
| 10mm | EUC 10 | 31.5 | 17.2 | 8 | 17 | 19 | 23.9 |
| 12mm | EUC 12 | 36.0 | 22.8 | 10 | 22 | 22 | 25.9 |
|
Dimensions for Reference Use Only: Imperial fittings in mm, Metric fittings in mm, U.S.O. |
| Tee Union |
 |
 |
| Tube Size, ФD |
Part No. |
A |
D |
E |
F |
G |
H |
J |
K |
| 1/16" | TUC 1/16 | 17.8 | 8.6 | 1 | 12 | 10 | 14.0 | 28.0 | 35.6 |
| 1/8" | TUC 1/8 | 22.4 | 12.7 | 2 | 12 | 10 | 15.8 | 31.4 | 44.8 |
| 3/16" | TUC 3/16 | 25.4 | 13.7 | 3 | 12 | 12 | 19.6 | 39.1 | 50.8 |
| 1/4" | TUC 1/4 | 27.0 | 15.2 | 5 | 12 | 14 | 22.4 | 44.8 | 54.0 |
| 3/8" | TUC 3/8 | 30.5 | 16.8 | 8 | 17 | 19 | 23.1 | 46.2 | 61.0 |
| 1/2" | TUC 1/2 | 36.0 | 22.8 | 10 | 22 | 22 | 26.0 | 52.0 | 72.0 |
| 5/8" | TUC 5/8 | 38.9 | 24.4 | 12 | 24 | 27 | 28.7 | 57.4 | 77.8 |
| 3/4" | TUC 3/4 | 40.0 | 26.0 | 15 | 27 | 30 | 29.7 | 59.4 | 80.0 |
| 1" | TUC 1 | 49.0 | 31.2 | 21 | 35 | 38 | 36.8 | 73.6 | 98.0 |
|
| 4mm | TUC 4 | 25.4 | 13.7 | 3 | 12 | 12 | 18.8 | 37.6 | 50.8 |
| 6mm | TUC 6 | 27.0 | 15.3 | 5 | 12 | 14 | 19.6 | 39.1 | 53.9 |
| 8mm | TUC 8 | 29.9 | 16.2 | 6 | 14 | 17 | 22.4 | 44.7 | 59.7 |
| 10mm | TUC 10 | 31.5 | 17.2 | 8 | 17 | 19 | 23.9 | 47.8 | 63.0 |
| 12mm | TUC 12 | 36.0 | 22.8 | 10 | 22 | 22 | 25.9 | 51.8 | 72.0 |
|
Dimensions for Reference Use Only: Imperial fittings in mm, Metric fittings in mm, U.S.O. |
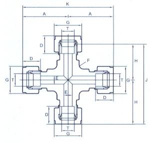
| Cross Union |
 |
 |
| Tube Size, ФD |
Part No. |
A |
D |
E |
F |
G |
H |
J |
K |
| 1/8" | CUC 1/8 | 25.5 | 14.0 | 2 | 12 | 10 | 18.5 | 37 | 51.0 |
| 1/4" | CUC 1/4 | 30.2 | 15.2 | 5 | 14 | 14 | 23 | 46 | 60.4 |
| 3/8" | CUC 3/8 | 31.5 | 18.8 | 8 | 17 | 19 | 24 | 48 | 63.0 |
| 1/2" | CUC 1/2 | 37.0 | 23.6 | 10 | 22 | 22 | 26 | 52 | 74.0 |
|
| 6mm | CUC 6 | 30.2 | 15.2 | 5 | 14 | 14 | 14 | 46 | 60.4 |
| 8mm | CUC 8 | 30.5 | 16.5 | 6 | 14 | 17 | 17 | 46 | 61.0 |
| 10mm | CUC 10 | 31.5 | 19.5 | 8 | 17 | 19 | 19 | 48 | 63.0 |
| 12mm | CUC 12 | 37.0 | 23.6 | 10 | 20 | 22 | 22 | 52 | 74.0 |
|
Dimensions for Reference Use Only: Imperial fittings in mm, Metric fittings in mm, U.S.O. |