Call us at (650) 938-8833 or email us at Sales@StcValve.net.
Straight Compression Fitting Specifications
| Specifications |
|
Pressure |
| Operating Temperature |
-425 to 600°F |
|
Tube (OD) |
Maximum Pressure (PSI @ 72°F)* |
|
1/16" |
|
10,000 |
| Material of Construction |
316 Stainless Steel |
|
1/8" |
2mm |
8,800 |
|
3/16" |
4mm |
5,500 |
| Compatible with |
Swagelok®, Parker A-Lok, Let-Lock, Yor-Lock |
|
1/4" |
6mm |
4,200 |
| Service |
Air, Water, Steam, Oil, Gasoline, Natural Gas, most solvents and acids that are compatible with 316SS |
|
5/16" |
8mm |
3,300 |
|
3/8" |
10mm |
2,800 |
|
|
1/2" |
12mm |
2,500 |
| 5/8" |
16mm |
2,300 |
| 3/4" |
18mm |
2,100 |
| 1" |
20mm |
1,900 |
|
*Maximum pressures are based on Type 304 and 316 annealed stainless steel welded tubing made to ASTM A213, A249, or A269 standards. |
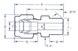
| Female Connector |
 |
 |
| Tube Size, ФD |
Thread Size |
Part No. |
A |
B |
D |
E |
F |
G |
H |
| 1/8" | N1/8 | FCC 1/8 N1/8 | 28.7 | 12 | 12.7 | 2 | 14 | 10 | 22.1 |
| 1/8" | N1/4 | FCC 1/8 N1/4 | 33.5 | 15 | 12.7 | 2 | 17 | 10 | 27.0 |
| 1/4" | N1/8 | FCC 1/4 N1/8 | 31.2 | 15 | 15.3 | 5 | 14 | 14 | 24.0 |
| 1/4" | N1/4 | FCC 1/4 N1/4 | 35.8 | 15 | 15.3 | 5 | 17 | 14 | 28.4 |
| 1/4" | N3/8 | FCC 1/4 N3/8 | 37.6 | 15 | 15.3 | 5 | 22 | 14 | 30.2 |
| 1/4" | N1/2 | FCC 1/4 N1/2 | 42.4 | 20 | 15.3 | 5 | 27 | 14 | 35.1 |
| 3/8" | N1/8 | FCC 3/8 N1/8 | 32.8 | 12 | 16.8 | 5 | 17 | 19 | 25.4 |
| 3/8" | N1/4 | FCC 3/8 N1/4 | 37.6 | 15 | 16.8 | 6 | 17 | 19 | 30.2 |
| 3/8" | N3/8 | FCC 3/8 N3/8 | 39.1 | 15 | 16.8 | 8 | 22 | 19 | 31.8 |
| 3/8" | N1/2 | FCC 3/8 N1/2 | 43.9 | 20 | 16.8 | 8 | 27 | 19 | 36.6 |
| 3/8" | N3/4 | FCC 3/8 N3/4 | 47.8 | 21 | 16.8 | 8 | 32 | 19 | 40.4 |
| 1/2" | N1/8 | FCC 1/2 N1/8 | 37.3 | 12 | 22.8 | 5 | 22 | 22 | 27.2 |
| 1/2" | N1/4 | FCC 1/2 N1/4 | 40.4 | 15 | 22.8 | 6 | 22 | 22 | 30.2 |
| 1/2" | N3/8 | FCC 1/2 N3/8 | 42.0 | 15 | 22.8 | 8 | 22 | 22 | 31.8 |
| 1/2" | N1/2 | FCC 1/2 N1/2 | 46.7 | 20 | 22.8 | 10 | 27 | 22 | 36.6 |
| 1/2" | N1/4 | FCC 1/2 N3/4 | 48.3 | 21 | 22.8 | 10 | 32 | 22 | 38.2 |
| 1/2" | N1 | FCC 1/2 N1 | 51.3 | 24 | 22.8 | 10 | 40 | 22 | 41.2 |
| 5/8" | N3/8 | FCC 5/8 N3/8 | 42.1 | 15 | 24.4 | 8 | 27 | 27 | 32.0 |
| 5/8" | N1/2 | FCC 5/8 N1/2 | 46.9 | 20 | 24.4 | 11 | 27 | 27 | 36.8 |
| 5/8" | N3/4 | FCC 5/8 N3/4 | 48.5 | 21 | 24.4 | 12 | 32 | 27 | 38.4 |
| 3/4" | N1/2 | FCC 3/4 N1/2 | 46.7 | 20 | 24.4 | 15 | 27 | 30 | 36.6 |
| 3/4" | N3/4 | FCC 3/4 N3/4 | 48.3 | 21 | 24.4 | 15 | 32 | 30 | 38.1 |
| 1" | N3/4 | FCC 1 N3/4 | 53.3 | 21 | 31.3 | 21 | 35 | 38 | 41.0 |
| 1" | N1 | FCC 1 N1 | 62.2 | 24 | 31.3 | 21 | 40 | 38 | 50.0 |
|
| 4mm | R1/8 | FCC 4 R1/8 | 29.7 | 12 | 13.7 | 3 | 14 | 12 | 23.1 |
| 6mm | R1/8 | FCC 6 R1/8 | 31.3 | 12 | 15.3 | 5 | 14 | 14 | 23.9 |
| 6mm | R1/4 | FCC 6 R1/4 | 35.8 | 15 | 15.3 | 5 | 17 | 14 | 28.4 |
| 6mm | R3/8 | FCC 6 R3/8 | 37.6 | 15 | 15.3 | 5 | 22 | 14 | 30.2 |
| 6mm | R1/2 | FCC 6 R1/2 | 42.5 | 20 | 15.3 | 5 | 27 | 14 | 35.1 |
| 8mm | R1/8 | FCC 8 R1/8 | 32.1 | 12 | 16.2 | 5 | 14 | 17 | 24.6 |
| 8mm | R1/4 | FCC 8 R1/4 | 37 | 15 | 16.2 | 6 | 17 | 17 | 29.5 |
| 8mm | R3/8 | FCC 8 R3/8 | 38.5 | 15 | 16.2 | 6 | 22 | 17 | 31.0 |
| 8mm | R1/2 | FCC 8 R1/2 | 43.3 | 20 | 16.2 | 6 | 27 | 17 | 35.8 |
| 10mm | R1/8 | FCC 10 R1/8 | 34.8 | 12 | 17.2 | 5 | 19 | 19 | 27.2 |
| 10mm | R1/4 | FCC 10 R1/4 | 37.8 | 15 | 17.2 | 6 | 19 | 19 | 30.2 |
| 10mm | R3/8 | FCC 10 R3/8 | 39.4 | 15 | 17.2 | 8 | 22 | 19 | 31.8 |
| 10mm | R1/2 | FCC 10 R1/2 | 44.2 | 20 | 17.2 | 8 | 27 | 19 | 36.8 |
| 12mm | R1/8 | FCC 12 R1/8 | 37.3 | 12 | 22.8 | 5 | 22 | 22 | 27.2 |
| 12mm | R1/4 | FCC 12 R1/4 | 40.3 | 15 | 22.8 | 6 | 22 | 22 | 30.2 |
| 12mm | R3/8 | FCC 12 R3/8 | 41.9 | 15 | 22.8 | 8 | 22 | 22 | 31.2 |
| 12mm | R1/2 | FCC 12 R1/2 | 46.7 | 20 | 22.8 | 10 | 27 | 22 | 36.6 |
| 12mm | R3/4 | FCC 12 R3/4 | 48.3 | 21 | 22.8 | 10 | 32 | 22 | 38.2 |
| 12mm | R1 | FCC 12 R1 | 51.3 | 24 | 22.8 | 10 | 40 | 22 | 41.2 |
|
Dimensions for Reference Use Only: Imperial fittings in mm, Metric fittings in mm, U.S.O. |
| Male Connector |
 |
 |
| Tube Size, ФD |
Thread Size |
Part No. |
A |
B |
D |
E |
F |
G |
H |
| 1/16" | N1/8 | MCC 1/16 N1/8 | 26.5 | 10 | 8.6 | 1 | 10 | 10 | 22.7 |
| 1/16" | N1/4 | MCC 1/16 N1/8 | 29.8 | 13 | 8.6 | 1 | 14 | 10 | 26.0 |
| 1/8" | N1/8 | MCC 1/8 N1/8 | 30.8 | 10 | 12.7 | 3 | 12 | 10 | 24.2 |
| 1/8" | N1/4 | MCC 1/8 N1/4 | 34.4 | 13 | 12.7 | 3 | 14 | 10 | 27.8 |
| 1/8" | N3/8 | MCC 1/8 N3/8 | 35.6 | 14 | 12.7 | 3 | 17 | 10 | 29.0 |
| 1/8" | N1/2 | MCC 1/8 N1/2 | 40.1 | 17 | 12.7 | 3 | 22 | 10 | 33.5 |
| 3/16" | N1/8 | MCC 3/16 N1/8 | 31.5 | 10 | 13.7 | 3 | 12 | 12 | 24.9 |
| 3/16" | N1/8 | MCC 3/16 N1/4 | 35.1 | 13 | 13.7 | 3 | 14 | 12 | 28.5 |
| 1/4" | N1/8 | MCC 1/4 N1/8 | 33.1 | 10 | 15.3 | 5 | 14 | 14 | 27.7 |
| 1/4" | N1/4 | MCC 1/4 N1/4 | 36.6 | 13 | 15.3 | 5 | 14 | 14 | 29.3 |
| 1/4" | N3/8 | MCC 1/4 N3/8 | 38.2 | 14 | 15.3 | 5 | 17 | 14 | 30.8 |
| 1/4" | N1/2 | MCC 1/4 N1/2 | 42.6 | 17 | 15.3 | 5 | 22 | 14 | 35.1 |
| 1/4" | N3/4 | MCC 1/4 N3/4 | 46.1 | 19 | 15.3 | 5 | 27 | 14 | 38.8 |
| 3/8" | N1/8 | MCC 3/8 N1/8 | 35.6 | 10 | 16.8 | 5 | 17 | 17 | 28.2 |
| 3/8" | N1/4 | MCC 3/8 N1/4 | 38.8 | 13 | 16.8 | 6 | 17 | 17 | 31.3 |
| 3/8" | N3/8 | MCC 3/8 N3/8 | 39.8 | 14 | 16.8 | 8 | 17 | 17 | 32.3 |
| 3/8" | N1/2 | MCC 3/8 N1/2 | 44.1 | 17 | 16.8 | 8 | 22 | 17 | 36.8 |
| 3/8" | N3/4 | MCC 3/8 N3/4 | 47.7 | 19 | 16.8 | 8 | 27 | 17 | 40.3 |
| 1/2" | N1/8 | MCC 1/2 N1/8 | 39.2 | 10 | 22.8 | 5 | 22 | 22 | 29.0 |
| 1/2" | N1/4 | MCC 1/2 N1/4 | 42.2 | 13 | 22.8 | 6 | 22 | 22 | 32.1 |
| 1/2" | N3/8 | MCC 1/2 N3/8 | 43.2 | 14 | 22.8 | 8 | 22 | 22 | 33.1 |
| 1/2" | N1/2 | MCC 1/2 N1/2 | 46.9 | 17 | 22.8 | 10 | 22 | 22 | 36.8 |
| 1/2" | N3/4 | MCC 1/2 N3/4 | 50.4 | 19 | 22.8 | 10 | 27 | 22 | 40.3 |
| 1/2" | N1 | MCC 1/2 N1 | 55.2 | 22 | 22.8 | 10 | 35 | 22 | 45.0 |
| 5/8" | N3/8 | MCC 5/8 N3/8 | 43.9 | 14 | 24.4 | 8 | 24 | 27 | 33.8 |
| 5/8" | N1/2 | MCC 5/8 N1/2 | 46.9 | 17 | 24.4 | 10 | 24 | 27 | 36.8 |
| 5/8" | N3/4 | MCC 5/8 N3/4 | 50.4 | 19 | 24.4 | 12 | 27 | 27 | 40.3 |
| 3/4" | N1/2 | MCC 3/4 N1/2 | 48.4 | 17 | 24.4 | 10 | 27 | 30 | 38.2 |
| 3/4" | N3/4 | MCC 3/4 N3/4 | 50.4 | 19 | 24.4 | 15 | 27 | 30 | 40.3 |
| 3/4" | N1 | MCC 3/4 N1 | 55.2 | 22 | 24.4 | 15 | 35 | 30 | 45.0 |
| 1" | N1/2 | MCC 1 N1/2 | 55.4 | 17 | 31.3 | 10 | 35 | 38 | 43.1 |
| 1" | N3/4 | MCC 1 N3/4 | 57.4 | 19 | 31.3 | 16.5 | 35 | 38 | 45.1 |
| 1" | N1 | MCC 1 N1 | 60.4 | 22 | 31.3 | 20 | 35 | 38 | 48.1 |
|
| 4mm | R1/8 | MCC 4 R1/8 | 31.5 | 10 | 13.7 | 3 | 10 | 12 | 24.9 |
| 4mm | R1/4 | MCC 4 R1/4 | 35.1 | 13 | 13.7 | 3 | 14 | 12 | 29.5 |
| 4mm | R3/8 | MCC 4 R3/8 | 37.1 | 14 | 13.7 | 3 | 17 | 12 | 30.5 |
| 4mm | R1/2 | MCC 4 R1/2 | 41.1 | 17 | 13.7 | 3 | 22 | 12 | 34.5 |
| 6mm | R1/8 | MCC 6 R1/8 | 33.1 | 10 | 15.3 | 5 | 14 | 14 | 25.7 |
| 6mm | R1/4 | MCC 6 R1/4 | 36.7 | 13 | 15.3 | 5 | 14 | 14 | 29.3 |
| 6mm | R3/8 | MCC 6 R3/8 | 38.2 | 14 | 15.3 | 5 | 17 | 14 | 30.8 |
| 6mm | R1/2 | MCC 6 R1/2 | 42.7 | 17 | 15.3 | 5 | 22 | 14 | 35.3 |
| 8mm | R1/8 | MCC 8 R1/8 | 34.5 | 10 | 16.2 | 5 | 19 | 17 | 27 |
| 8mm | R1/4 | MCC 8 R1/4 | 37.5 | 13 | 16.2 | 6 | 19 | 17 | 30 |
| 8mm | R3/8 | MCC 8 R3/8 | 39.1 | 14 | 16.2 | 6 | 19 | 17 | 31.6 |
| 8mm | R1/2 | MCC 8 R1/2 | 43.6 | 17 | 16.2 | 6 | 22 | 17 | 36.1 |
| 10mm | R1/8 | MCC 10 R1/8 | 36.6 | 10 | 17.2 | 5 | 27 | 19 | 29 |
| 10mm | R1/4 | MCC 10 R1/4 | 39.7 | 13 | 17.2 | 6 | 22 | 19 | 32.1 |
| 10mm | R3/8 | MCC 10 R3/8 | 40.7 | 14 | 17.2 | 8 | 22 | 19 | 33.1 |
| 10mm | R1/2 | MCC 10 R1/2 | 44.5 | 17 | 17.2 | 8 | 22 | 19 | 36.9 |
| 10mm | R3/4 | MCC 10 R3/4 | 48 | 19 | 17.2 | 8 | 22 | 19 | 40.4 |
| 12mm | R1/8 | MCC 12 R1/8 | 39.1 | 10 | 22.8 | 5 | 27 | 22 | 29 |
| 12mm | R1/4 | MCC 12 R1/4 | 42.2 | 13 | 22.8 | 6 | 34 | 22 | 32.1 |
| 12mm | R3/8 | MCC 12 R3/8 | 43.2 | 14 | 22.8 | 8 | 24 | 22 | 33.1 |
| 12mm | R1/2 | MCC 12 R1/2 | 47 | 17 | 22.8 | 10 | 24 | 22 | 36.9 |
| 12mm | R3/4 | MCC 12 R3/4 | 50 | 19 | 22.8 | 10 | 27 | 22 | 40.4 |
| 12mm | R1 | MCC 12 R1 | 55.3 | 22 | 22.8 | 10 | 24 | 27 | 45.2 |
|
Dimensions for Reference Use Only: Imperial fittings in mm, Metric fittings in mm, U.S.O. |
| Bulkhead Union |
 |
 |
| Tube Size, ФD |
Part No. |
A |
B |
D |
E |
F |
G |
H |
Panelhole Size |
Max. Panel Thickness |
| 1/4" | BUC 1/4 | 57.7 | 26.0 | 15.2 | 5 | 17 | 14 | 42.9 | 11.5 | 10.2 |
| 5/16" | BUC 5/16 | 61.0 | 28.6 | 16.2 | 6 | 19 | 17 | 46.0 | 13.1 | 11.2 |
| 3/8" | BUC 3/8 | 62.2 | 29.0 | 16.8 | 7 | 19 | 17 | 46.0 | 16.3 | 11.2 |
| 1/2" | BUC 1/2 | 71.1 | 31.0 | 22.8 | 10 | 24 | 22 | 50.8 | 19.5 | 12.7 |
| 3/4" | BUC 3/4 | 79.0 | 38.0 | 24.4 | 15 | 30 | 30 | 58.7 | 26.0 | 16.8 |
| 1" | BUC 1 | 95.8 | 50.0 | 31.2 | 21 | 40 | 38 | 71.4 | 33.2 | 26.0 |
|
| 6mm | BUC 6 | 57.7 | 26.2 | 15.3 | 5 | 17 | 14 | 42.9 | 11.5 | 10.2 |
| 8mm | BUC 8 | 61.0 | 28.6 | 16.2 | 6 | 19 | 17 | 46.0 | 13.1 | 11.2 |
| 10mm | BUC 10 | 63.7 | 29.4 | 17.2 | 8 | 19 | 19 | 48.5 | 16.3 | 11.2 |
| 12mm | BUC 12 | 71.0 | 31.8 | 22.8 | 10 | 24 | 22 | 50.8 | 19.5 | 12.7 |
|
Dimensions for Reference Use Only: Imperial fittings in mm, Metric fittings in mm, U.S.O. |
| Straight Union |
 |
 |
| Tube Size, ФD |
Part No. |
A |
D |
E |
F |
G |
H |
| 1/16" | SUC 1/16 | 25.1 | 8.6 | 1 | 10 | 10 | 17.5 |
| 1/8" | SUC 1/8 | 35.6 | 12.7 | 2 | 10 | 10 | 22.4 |
| 3/16" | SUC 3/16 | 37.3 | 13.7 | 3 | 12 | 12 | 24.1 |
| 1/4" | SUC 1/4 | 40.9 | 15.2 | 4 | 12 | 14 | 26.2 |
| 5/16" | SUC 5/16 | 43.2 | 16.2 | 6 | 14 | 17 | 28.2 |
| 3/8" | SUC 3/8 | 45.0 | 16.8 | 7 | 17 | 17 | 30.2 |
| 1/2" | SUC 1/2 | 51.3 | 22.9 | 10 | 22 | 22 | 31.0 |
| 5/8" | SUC 5/8 | 52.1 | 24.4 | 12 | 24 | 27 | 31.0 |
| 3/4" | SUC 3/4 | 53.6 | 24.4 | 15 | 27 | 30 | 33.3 |
| 1" | SUC 1 | 64.8 | 31.2 | 21 | 35 | 38 | 40.4 |
|
| 4mm | SUC 4 | 37.3 | 13.7 | 3 | 12 | 12 | 24.1 |
| 6mm | SUC 6 | 41.0 | 15.3 | 4 | 12 | 14 | 26.2 |
| 8mm | SUC 8 | 43.2 | 16.2 | 6 | 14 | 17 | 28.2 |
| 10mm | SUC 10 | 46.2 | 17.2 | 8 | 19 | 19 | 31.0 |
| 12mm | SUC 12 | 51.2 | 22.8 | 10 | 22 | 22 | 31.0 |
|
Dimensions for Reference Use Only: Imperial fittings in mm, Metric fittings in mm, U.S.O. |
| Reducing Union |
 |
 |
| Tube Size, ФD1 |
Tube Size, ФD2 |
Part No. |
A |
D1 |
D2 |
E |
G1 |
G2 |
F |
H |
| 1/16" | 1/8" | RUC 1/16-1/8 | 31.0 | 8.6 | 12.7 | 1 | 12 | 10 | 12 | 20.6 |
| 1/8" | 3/16" | RUC 1/8-3/16 | 36.6 | 12.7 | 13.7 | 3 | 12 | 12 | 12 | 23.4 |
| 1/8" | 1/4" | RUC 1/8-1/4 | 38.6 | 12.7 | 15.2 | 3 | 14 | 14 | 14 | 24.6 |
| 1/4" | 5/16" | RUC 1/4-5/16 | 42.2 | 15.2 | 16.2 | 5 | 14 | 17 | 14 | 27.4 |
| 1/4" | 3/8" | RUC 1/4-3/8 | 43.2 | 15.2 | 16.8 | 5 | 14 | 17 | 17 | 28.4 |
| 1/4" | 1/2" | RUC 1/4-1/2 | 47.0 | 15.2 | 22.8 | 5 | 17 | 22 | 22 | 29.5 |
| 3/8" | 1/2" | RUC 3/8-1/2 | 48.5 | 16.8 | 22.8 | 7 | 17 | 22 | 22 | 31.0 |
| 1/2" | 3/4" | RUC 1/2-3/4 | 53.6 | 22.8 | 24.4 | 10 | 19 | 30 | 27 | 33.3 |
| 3/4" | 1" | RUC 3/4-1 | 62.7 | 24.4 | 31.2 | 15 | 22 | 38 | 35 | 40.4 |
|
| 4mm | 6mm | RUC 4-6 | 39.4 | 13.7 | 15.3 | 3 | 12 | 14 | 14 | 24.4 |
| 6mm | 8mm | RUC 6-8 | 42.3 | 15.3 | 16.2 | 5 | 14 | 17 | 14 | 27.4 |
| 6mm | 10mm | RUC 6-10 | 44.5 | 15.3 | 17.2 | 5 | 14 | 19 | 19 | 29.5 |
| 6mm | 12mm | RUC 6-12 | 47.3 | 15.3 | 22.8 | 5 | 14 | 22 | 22 | 29.5 |
| 8mm | 10mm | RUC 8-10 | 45.1 | 16.2 | 17.2 | 6 | 17 | 19 | 19 | 30.0 |
| 8mm | 12mm | RUC 8-12 | 47.8 | 16.2 | 22.8 | 6 | 17 | 22 | 22 | 30.2 |
| 10mm | 12mm | RUC 10-12 | 48.7 | 17.2 | 22.8 | 8 | 19 | 22 | 22 | 31.0 |
|
Dimensions for Reference Use Only: Imperial fittings in mm, Metric fittings in mm, U.S.O. |
| Tube Stem Reducer |
 |
 |
| Tube Size, ФD |
Pipe Size |
Part No. |
A |
D |
E |
F |
G |
H |
| 1/16" | 1/8" | TRC 1/16X1/8 | 29.2 | 8.6 | 1 | 10 | 10 | 25.4 |
| 1/16" | 1/4 | TRC 1/16X1/4 | 31.5 | 8.6 | 1 | 10 | 10 | 27.7 |
| 1/8" | 1/16 | TRC 1/8X1/16 | 29.0 | 12.7 | 0.7 | 10 | 12 | 20.3 |
| 1/8" | 1/8" | TRC 1/8X1/8 | 33.5 | 12.7 | 2 | 10 | 12 | 26.9 |
| 1/8" | 1/4" | TRC 1/8X1/4 | 36.0 | 12.7 | 3 | 10 | 12 | 29.5 |
| 1/8" | 3/8" | TRC 1/8X3/8 | 37.6 | 12.7 | 3 | 10 | 12 | 31.0 |
| 1/8" | 1/2" | TRC 1/8X1/2 | 44.2 | 12.7 | 3 | 14 | 12 | 37.6 |
| 1/4" | 1/8" | TRC 1/4X1/8 | 36.8 | 15.2 | 2 | 12 | 14 | 29.5 |
| 1/4" | 1/4" | TRC 1/4X1/4 | 38.1 | 15.2 | 4 | 12 | 14 | 31.8 |
| 1/4" | 3/8" | TRC 1/4X3/8 | 40.6 | 15.2 | 5 | 12 | 14 | 33.3 |
| 1/4" | 1/2" | TRC 1/4X1/2 | 46.2 | 15.2 | 5 | 14 | 14 | 38.9 |
| 1/4" | 5/8" | TRC 1/4X5/8 | 48.0 | 15.2 | 5 | 17 | 14 | 40.6 |
| 1/4" | 3/4" | TRC 1/4X3/4 | 47.0 | 15.2 | 5 | 19 | 14 | 40.4 |
| 3/8" | 1/4" | TRC 3/8X1/4 | 41.4 | 16.8 | 4 | 17 | 17 | 34.0 |
| 3/8" | 3/8" | TRC 3/8X3/8 | 43.2 | 16.8 | 7 | 17 | 17 | 35.8 |
| 3/8" | 1/2" | TRC 3/8X1/2 | 48.5 | 16.8 | 8 | 17 | 17 | 41.1 |
| 3/8" | 5/8" | TRC 3/8X5/8 | 50.3 | 16.8 | 8 | 17 | 17 | 42.9 |
| 3/8" | 3/4" | TRC 3/8X3/4 | 50.3 | 16.8 | 8 | 22 | 17 | 42.9 |
| 1/2" | 1/4" | TRC 1/2X1/4 | 45.0 | 22.8 | 4 | 22 | 22 | 34.8 |
| 1/2" | 3/8" | TRC 1/2X3/8 | 46.7 | 22.8 | 7 | 22 | 22 | 36.6 |
| 1/2" | 1/2" | TRC 1/2X1/2 | 52.3 | 22.8 | 10 | 22 | 22 | 42.2 |
| 1/2" | 5/8" | TRC 1/2X5/8 | 50.8 | 22.8 | 10 | 22 | 22 | 43.7 |
| 1/2" | 3/4" | TRC 1/2X3/4 | 53.8 | 22.8 | 10 | 22 | 22 | 43.7 |
| 1/2" | 1" | TRC 1/2X1 | 60.2 | 22.8 | 10 | 27 | 22 | 50.0 |
| 5/8" | 3/4" | TRC 5/8X3/4 | 54.6 | 24.4 | 12 | 24 | 27 | 44.5 |
| 5/8" | 1" | TRC 5/8X1 | 61.0 | 24.4 | 12 | 27 | 27 | 50.8 |
| 3/4" | 1/2" | TRC 3/4X1/2 | 54.6 | 24.4 | 10 | 27 | 30 | 44.5 |
| 3/4" | 1" | TRC 3/4X1 | 62.5 | 24.4 | 15 | 27 | 30 | 52.3 |
|
| 4mm | 6mm | TRC 4X6 | 37.1 | 13.7 | 3 | 10 | 12 | 30.5 |
| 6mm | 8mm | TRC 6X8 | 39.9 | 15.3 | 5 | 12 | 14 | 32.5 |
| 6mm | 10mm | TRC 6X10 | 40.7 | 15.3 | 5 | 12 | 14 | 33.3 |
| 6mm | 12mm | TRC 6X12 | 46.3 | 15.3 | 5 | 14 | 14 | 38.9 |
| 8mm | 6mm | TRC 8X6 | 40.3 | 16.2 | 5 | 14 | 17 | 32.8 |
| 8mm | 10mm | TRC 8X10 | 42.0 | 16.2 | 6 | 14 | 17 | 34.5 |
| 8mm | 12mm | TRC 8X12 | 47.6 | 16.2 | 6 | 14 | 17 | 40.1 |
| 10mm | 6mm | TRC 10X6 | 42.4 | 17.2 | 5 | 17 | 19 | 34.8 |
| 10mm | 8mm | TRC 10X8 | 43.4 | 17.2 | 6 | 17 | 19 | 35.8 |
| 10mm | 12mm | TRC 10X12 | 49.8 | 17.2 | 8 | 17 | 19 | 42.2 |
| 12mm | 6mm | TRC 12X6 | 44.9 | 22.8 | 5 | 22 | 22 | 34.8 |
| 12mm | 8mm | TRC 12X8 | 45.9 | 22.8 | 6 | 22 | 22 | 35.8 |
| 12mm | 10mm | TRC 12X10 | 46.7 | 22.8 | 8 | 22 | 22 | 36.6 |
|
Dimensions for Reference Use Only: Imperial fittings in mm, Metric fittings in mm, U.S.O. |
| Butt Weld Pipe Connect |
 |
 |
| Tube Size, ФD |
Pipe Size |
Part No. |
A |
B |
D |
E |
F |
G |
H |
J |
| 1/8" | 1/8" | BWC 1/8X1/8 | 30.4 | 10 | 12.7 | 3 | 12 | 12 | 23.8 | 10.3 |
| 3/16" | 1/8" | BWC 3/16X1/8 | 31.2 | 10 | 13.7 | 3 | 12 | 12 | 23.8 | 10.3 |
| 1/4" | 1/8" | BWC 1/4X1/8 | 32.8 | 10 | 15.2 | 5 | 12 | 14 | 25.4 | 10.3 |
| 1/4" | 1/4" | BWC 1/4X1/4 | 37.8 | 13 | 15.2 | 5 | 14 | 14 | 30.5 | 13.7 |
| 3/8" | 1/4" | BWC 3/8X1/4 | 38.6 | 13 | 16.8 | 8 | 17 | 17 | 32.5 | 13.7 |
| 3/8" | 3/8" | BWC 3/8X3/8 | 39.8 | 14 | 16.8 | 8 | 22 | 17 | 32.5 | 17.1 |
| 3/8" | 1/2" | BWC 3/8X1/2 | 46.2 | 17 | 16.8 | 8 | 22 | 17 | 38.8 | 21.3 |
| 3/8" | 3/4" | BWC 3/8X3/4 | 47.8 | 19 | 16.8 | 8 | 27 | 17 | 40.4 | 26.7 |
| 1/2" | 3/8" | BWC 1/2X3/8 | 45.2 | 14 | 22.8 | 10 | 22 | 22 | 33.3 | 17.1 |
| 1/2" | 1/2" | BWC 1/2X1/2 | 49.0 | 17 | 22.8 | 10 | 22 | 22 | 38.8 | 21.3 |
| 1/2" | 3/4" | BWC 1/2X3/4 | 50.5 | 19 | 22.8 | 10 | 27 | 22 | 40.4 | 26.7 |
| 5/8" | 1/2" | BWC 5/8X1/2 | 49.0 | 17 | 24.4 | 12 | 27 | 27 | 38.8 | 21.3 |
| 3/4" | 3/4" | BWC 3/4X3/4 | 50.5 | 19 | 24.4 | 15 | 27 | 30 | 40.4 | 26.7 |
| 1" | 1" | BWC 1X1 | 62.2 | 22 | 31.2 | 21 | 35 | 38 | 50.0 | 33.4 |
|
| 4mm | 1/8" | BWC 4X1/8 | 31.2 | 10 | 13.7 | 3 | 12 | 12 | 24.6 | 11.3 |
| 6mm | 1/8" | BWC 6X1/8 | 32.8 | 10 | 15.3 | 5 | 12 | 14 | 25.4 | 11.3 |
| 6mm | 1/4" | BWC 6X1/4 | 37.9 | 13 | 15.3 | 5 | 14 | 14 | 30.5 | 13.7 |
| 8mm | 1/8" | BWC 8X1/8 | 34.2 | 10 | 16.2 | 6 | 14 | 17 | 26.7 | 11.3 |
| 8mm | 1/4" | BWC 8X1/4 | 38.7 | 13 | 16.2 | 6 | 14 | 17 | 31.2 | 13.7 |
| 8mm | 1/2" | BWC 8X1/2 | 46.5 | 17 | 17.0 | 8 | 22 | 17 | 38.1 | 21.3 |
| 10mm | 1/4" | BWC 10X1/4 | 40.9 | 13 | 17.2 | 8 | 17 | 19 | 33.3 | 13.7 |
| 10mm | 3/8" | BWC 10X3/8 | 43.4 | 14 | 22.8 | 10 | 22 | 22 | 33.3 | 17.1 |
| 10mm | 1/2" | BWC 10X1/2 | 46.5 | 17 | 17.2 | 8 | 22 | 19 | 38.9 | 21.3 |
| 12mm | 1/4" | BWC 12X1/4 | 43.4 | 13 | 22.8 | 8 | 22 | 22 | 34.0 | 13.7 |
| 12mm | 3/4" | BWC 12X3/4 | 43.4 | 14 | 22.8 | 10 | 22 | 22 | 38.9 | 17.1 |
| 12mm | 1/2" | BWC 12X1/2 | 49.0 | 17 | 22.8 | 10 | 22 | 22 | 38.9 | 21.3 |
|
Dimensions for Reference Use Only: Imperial fittings in mm, Metric fittings in mm, U.S.O. |
| Cap |
 |
 |
| Tube Size, ФD |
Part No. |
A |
D |
F |
G |
H |
| 1/16" | CPC 1/16 | 15.0 | 8.6 | 10 | 10 | 11.2 |
| 1/8" | CPC 1/8 | 20.1 | 12.7 | 12 | 12 | 13.5 |
| 3/16" | CPC 3/16 | 21.3 | 13.7 | 12 | 12 | 14.7 |
| 1/4" | CPC 1/4 | 23.4 | 15.2 | 14 | 14 | 17.0 |
| 3/8" | CPC 3/8 | 25.7 | 16.3 | 17 | 17 | 18.3 |
| 1/2" | CPC 1/2 | 29.2 | 22.8 | 22 | 22 | 19.1 |
| 3/4" | CPC 3/4 | 31.5 | 24.4 | 27 | 30 | 21.3 |
| 1" | CPC 1 | 38.4 | 31.2 | 35 | 38 | 26.2 |
|
| 4mm | CPC 4 | 21.3 | 13.7 | 12 | 12 | 14.7 |
| 6mm | CPC 6 | 23.1 | 15.3 | 14 | 14 | 15.7 |
| 8mm | CPC 8 | 24.5 | 16.2 | 14 | 17 | 17.0 |
| 10mm | CPC 10 | 26.6 | 17.2 | 19 | 19 | 19.0 |
| 12mm | CPC 12 | 29.1 | 22.8 | 22 | 22 | 19.0 |
|
Dimensions for Reference Use Only: Imperial fittings in mm, Metric fittings in mm, U.S.O. |
| Nut |
 |
 |
|
Plug |
 |
 |
| Tube Size, ФD |
Part No. |
G |
L |
|
Tube Size, ФD |
Part No. |
G |
| 1/16" | NTC 1/16 | 10 | 7.9 |
|
1/16" | PGC 1/16 | 10.0 |
| 1/8" | NTC 1/8 | 10 | 11.9 |
|
1/8" | PGC 1/8 | 10.0 |
| 3/16" | NTC 3/16 | 12 | 11.9 |
|
3/16" | PGC 3/16 | 12.0 |
| 1/4" | NTC 1/4 | 14 | 12.7 |
|
1/4" | PGC 1/4 | 14.0 |
| 3/8" | NTC 3/8 | 17 | 13.5 |
|
3/8" | PGC 3/8 | 17.0 |
| 1/2" | NTC 1/2 | 22 | 17.5 |
|
1/2" | PGC 1/2 | 22.0 |
| 5/8" | NTC 5/8 | 27 | 17.5 |
|
| | |
| 3/4" | NTC 3/4 | 30 | 17.5 |
|
3/4" | PGC 3/4 | 32.0 |
| 1" | NTC 1 | 38 | 20.6 |
|
1" | PGC 1 | 38.0 |
|
|
|
| 4mm | NTC 4 | 12 | 11.9 |
|
4mm | PGC 4 | 12 |
| 6mm | NTC 6 | 14 | 12.7 |
|
6mm | PGC 6 | 14 |
| 8mm | NTC 8 | 17 | 13.5 |
|
8mm | PGC 8 | 16 |
| 10mm | NTC 10 | 19 | 15.1 |
|
10mm | PGC 10 | 19 |
| 12mm | NTC 12 | 22 | 17.4 |
|
12mm | PGC 12 | 22 |
|
Dimensions for Reference Use Only: Imperial fittings in mm, Metric fittings in mm, U.S.O. |
|
Dimensions for Reference Use Only: Imperial fittings in mm, Metric fittings in mm, U.S.O. |
| Male Bulkhead Connector |
 |
 |
| Tube Size, ФD |
Thread Size |
Part No. |
A |
B |
D |
E |
F |
G |
H |
Panel Hole Size |
Max. Panel Thickness |
| 1/4" | N1/8 | BCC 1/4 N1/8 | 50.9 | 10 | 15.3 | 5 | 17 | 14 | 42.4 | 11.5 | 10.2 |
| 1/4" | N1/4 | BCC 1/4 N1/4 | 49.5 | 13 | 15.3 | 5 | 17 | 14 | 46.7 | 11.5 | 10.2 |
| 1/4" | N3/8 | BCC 1/4 N3/8 | 54.9 | 14 | 15.3 | 5 | 17 | 14 | 40.9 | 11.5 | 10.2 |
| 1/4" | N1/2 | BCC 1/4 N1/2 | 57.9 | 17 | 15.3 | 5 | 22 | 14 | 43.9 | 11.5 | 10.2 |
| 3/8" | N1/4 | BCC 3/8 N1/4 | 57.4 | 13 | 16.8 | 8 | 19 | 17 | 42.0 | 16.3 | 11.2 |
| 3/8" | N3/8 | BCC 3/8 N3/8 | 57.4 | 14 | 16.8 | 8 | 19 | 17 | 43.0 | 16.3 | 11.2 |
| 3/8" | N1/2 | BCC 3/8 N1/2 | 63.8 | 17 | 16.8 | 8 | 19 | 17 | 47.0 | 16.3 | 11.2 |
| 1/2" | N1/4 | BCC 1/2 N1/4 | 62.2 | 13 | 22.8 | 10 | 22 | 17 | 42.7 | 19.5 | 12.7 |
| 1/2" | N3/8 | BCC 1/2 N3/8 | 63.2 | 14 | 22.8 | 10 | 22 | 19 | 43.7 | 19.5 | 12.7 |
| 1/2" | N1/2 | BCC 1/2 N1/2 | 68.8 | 17 | 22.8 | 10 | 22 | 19 | 58.8 | 19.5 | 12.7 |
|
| 6mm | R1/8 | BCC 6 R1/8 | 50.9 | 10 | 15.3 | 5 | 17 | 14 | 42.4 | 11.5 | 10.2 |
| 6mm | R1/4 | BCC 6 R1/4 | 53.6 | 13 | 15.3 | 5 | 17 | 14 | 46.2 | 11.5 | 10.2 |
| 6mm | R3/8 | BCC 6 R3/8 | 54.9 | 14 | 15.3 | 5 | 17 | 14 | 40.9 | 11.5 | 10.2 |
| 6mm | R1/2 | BCC 6 R1/2 | 57.9 | 17 | 15.3 | 5 | 22 | 14 | 43.9 | 11.5 | 10.2 |
| 8mm | R1/8 | BCC 8 R1/8 | 53.4 | 10 | 16.2 | 6 | 19 | 17 | 38.4 | 13.1 | 11.2 |
| 8mm | R1/4 | BCC 8 R1/4 | 56.4 | 13 | 16.2 | 6 | 19 | 17 | 41.4 | 13.1 | 11.2 |
| 8mm | R3/8 | BCC 8 R3/8 | 57.4 | 14 | 16.2 | 6 | 19 | 17 | 42.4 | 13.1 | 11.2 |
| 8mm | R1/2 | BCC 8 R1/2 | 60.4 | 17 | 16.2 | 6 | 22 | 17 | 45.4 | 13.1 | 11.2 |
| 10mm | R1/4 | BCC 10 R1/4 | 56.0 | 13 | 17.2 | 8 | 19 | 19 | 42.0 | 16.3 | 11.2 |
| 10mm | R3/8 | BCC 10 R3/8 | 56.0 | 14 | 17.2 | 8 | 19 | 19 | 43.0 | 16.3 | 11.2 |
| 10mm | R1/2 | BCC 10 R1/2 | 59.0 | 17 | 17.2 | 8 | 24 | 19 | 47.0 | 16.3 | 11.2 |
| 12mm | R1/4 | BCC 12 R1/4 | 62.2 | 13 | 22.8 | 10 | 24 | 22 | 42.7 | 19.5 | 12.7 |
| 12mm | R3/8 | BCC 12 R3/8 | 63.2 | 14 | 22.8 | 10 | 24 | 22 | 43.7 | 19.5 | 12.7 |
| 12mm | R1/2 | BCC 12 R1/2 | 68.8 | 17 | 22.8 | 10 | 24 | 22 | 58.7 | 19.5 | 12.7 |
|
Dimensions for Reference Use Only: Imperial fittings in mm, Metric fittings in mm, U.S.O. |
| Socket Weld Pipe Connector |
 |
 |
| Tube Size, ФD |
Pipe Size |
Part No. |
A |
B |
D |
E |
F |
G |
H |
| 1/8" | 1/8" | SWC 1/8X1/8 | 28.7 | 12 | 12.7 | 2 | 14 | 12 | 22.1 |
| 1/8" | 1/4" | SWC 1/8X1/4 | 33.5 | 15 | 12.7 | 2 | 17 | 12 | 27.0 |
| 1/4" | 1/8" | SWC 1/4X1/8 | 31.2 | 12 | 15.2 | 5 | 17 | 14 | 24.0 |
| 1/4" | 1/4" | SWC 1/4X1/4 | 35.8 | 15 | 15.2 | 5 | 17 | 14 | 28.4 |
| 1/4" | 3/8" | SWC 1/4X3/8 | 37.6 | 15 | 15.2 | 5 | 22 | 14 | 30.2 |
| 1/4" | 1/2" | SWC 1/4X1/2 | 42.4 | 20 | 15.2 | 5 | 27 | 14 | 35.1 |
| 3/8" | 1/8" | SWC 3/8X1/8 | 32.8 | 12 | 16.8 | 5 | 17 | 19 | 25.4 |
| 3/8" | 1/4" | SWC 3/8X1/4 | 37.6 | 15 | 16.8 | 6 | 17 | 19 | 30.2 |
| 3/8" | 3/8" | SWC 3/8X3/8 | 39.1 | 15 | 16.8 | 8 | 22 | 19 | 31.8 |
| 3/8" | 1/2" | SWC 3/8X1/2 | 43.9 | 20 | 16.8 | 8 | 27 | 19 | 36.6 |
| 3/8" | 3/4" | SWC 3/8X3/4 | 47.8 | 1 | 16.8 | 8 | 32 | 19 | 40.4 |
| 1/2" | 1/8" | SWC 1/2X1/8 | 37.3 | 12 | 22.8 | 5 | 22 | 22 | 27.2 |
| 1/2" | 1/4" | SWC 1/2X1/4 | 40.4 | 15 | 22.8 | 6 | 22 | 22 | 30.2 |
| 1/2" | 3/8" | SWC 1/2X3/8 | 40.2 | 15 | 22.8 | 8 | 22 | 22 | 31.8 |
| 1/2" | 1/2" | SWC 1/2X1/2 | 46.7 | 20 | 22.8 | 10 | 27 | 22 | 36.6 |
| 1/2" | 3/4" | SWC 1/2X3/4 | 48.3 | 21 | 22.8 | 10 | 32 | 22 | 38.2 |
| 1/2" | 1" | SWC 1/2X1 | 51.3 | 24 | 22.8 | 10 | 40 | 22 | 41.2 |
| 5/8" | 3/8" | SWC 5/8X3/8 | 42.1 | 15 | 24.4 | 8 | 27 | 27 | 32.0 |
| 5/8" | 1/2" | SWC 5/8X1/2 | 46.9 | 20 | 24.4 | 11 | 27 | 27 | 36.8 |
| 5/8" | 3/4" | SWC 5/8X3/4 | 48.5 | 21 | 24.4 | 12 | 32 | 27 | 38.4 |
| 3/4" | 1/2" | SWC 3/4X1/2 | 46.7 | 20 | 24.4 | 15 | 27 | 30 | 36.6 |
| 3/4" | 3/4" | SWC 3/4X3/4 | 48.3 | 21 | 24.4 | 15 | 32 | 30 | 38.1 |
| 1" | 3/4" | SWC 1X3/4 | 53.3 | 21 | 31.3 | 21 | 35 | 38 | 41.1 |
| 1" | 1" | SWC 1X1 | 62.2 | 24 | 31.3 | 21 | 40 | 38 | 50.0 |
|
| 4mm | 1/8" | SWC 4X1/8 | 29.7 | 12 | 13.7 | 3 | 14 | 12 | 23.1 |
| 6mm | 1/8" | SWC 6X1/8 | 31.3 | 12 | 15.3 | 5 | 14 | 14 | 23.9 |
| 6mm | 1/4" | SWC 6X1/4 | 35.8 | 15 | 15.3 | 5 | 17 | 14 | 28.4 |
| 6mm | 3/8" | SWC 6X3/8 | 37.6 | 15 | 15.3 | 5 | 22 | 14 | 30.2 |
| 6mm | 1/2" | SWC 6X1/2 | 42.5 | 20 | 15.3 | 5 | 27 | 14 | 35.1 |
| 8mm | 1/8" | SWC 8X1/8 | 32.1 | 12 | 16.2 | 5 | 14 | 17 | 24.6 |
| 8mm | 1/4" | SWC 8X1/4 | 37.0 | 15 | 16.2 | 6 | 17 | 17 | 29.5 |
| 8mm | 3/8" | SWC 8X3/8 | 38.5 | 15 | 16.2 | 6 | 22 | 17 | 31.0 |
| 8mm | 1/2" | SWC 8X1/2 | 43.3 | 20 | 16.2 | 6 | 27 | 17 | 35.8 |
| 10mm | 1/8" | SWC 10X1/8 | 34.8 | 12 | 17.2 | 5 | 19 | 19 | 27.2 |
| 10mm | 1/4" | SWC 10X1/4 | 37.8 | 15 | 17.2 | 6 | 19 | 19 | 30.3 |
| 10mm | 3/8" | SWC 10X3/8 | 39.4 | 15 | 17.2 | 8 | 22 | 19 | 36.8 |
| 10mm | 1/2" | SWC 10X1/2 | 44.2 | 20 | 17.2 | 8 | 27 | 19 | 36.8 |
| 12mm | 1/8" | SWC 12X1/8 | 37.3 | 15 | 22.8 | 5 | 22 | 22 | 27.2 |
| 12mm | 1/4" | SWC 12X1/4 | 40.3 | 15 | 22.8 | 6 | 22 | 22 | 30.2 |
| 12mm | 3/4" | SWC 12X3/4 | 41.9 | 15 | 22.8 | 8 | 22 | 22 | 31.8 |
| 12mm | 1/2" | SWC 12X1/2 | 46.7 | 20 | 22.8 | 10 | 27 | 22 | 36.6 |
| 12mm | 3/4 | SWC 12X3/4 | 48.3 | 21 | 22.8 | 10 | 32 | 22 | 38.2 |
| 12mm | 1" | SWC 12X1 | 51.3 | 24 | 22.8 | 10 | 40 | 22 | 41.2 |
|
Dimensions for Reference Use Only: Imperial fittings in mm, Metric fittings in mm, U.S.O. |