STC Valve Inc Logo Flow Control Valve Stainless Steel Push In Elbow Fitting Stainless Steel Compression Fitting Pneumatic Air Valve Bronze Two Way Process Valve Stainless Steel Manual Ball Valve Stainless Steel Air Actuated Ball Valve Manual Four Way Air Valve Air Filter Regulator Lubricator Combination Contact Us
Support & Downloads
Home 1 Push In Fittings 2 Stainless Steel Fittings 3 Compr.&
Barb Fittings
4 Solenoid Valves 5 Process Valves 6 Manual
Ball Valves
7 Actuated Valves 8 Air Valves 9 Air Regulators Click Here
to Order

Call us at (650) 856-8833 or email us at Sales@StcValve.net.

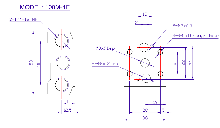
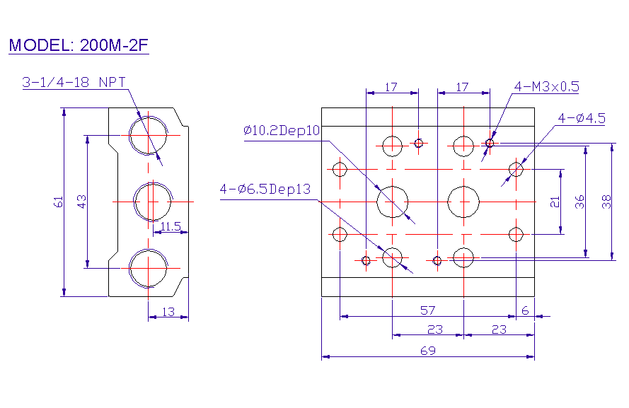
STC Solenoid Valve Manifold Dimensions (Units in mm)

Part No. Valve Picture Port Size & No. of Stations Description
4V-100M-4 1/4" Port
4 Stations
Integrated Base for Mounting 4V-100 & 4A-100 Series Solenoid Valves
(Includes Mounting hardware and seal)
4V-100M-8 1/4" Port
8 Stations
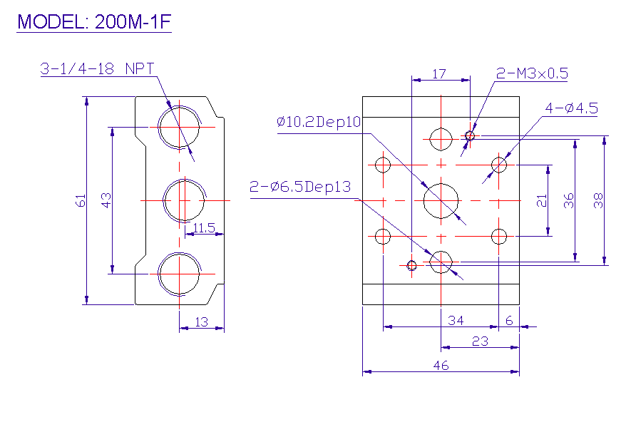
4V-200M-4 1/4" Port
4 Stations
Integrated Base for Mounting 4V-200 & 4A-200 Series Solenoid Valves
(Includes Mounting hardware and seal)
4V-200M-8 1/4" Port
8 Stations
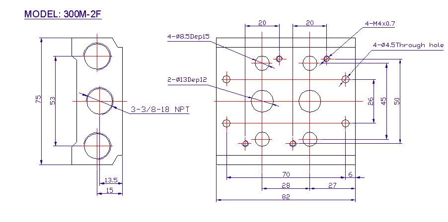
4V-300M-4 3/8" Port
4 Stations
Integrated Base for Mounting 4V-300 & 4A-300 Series Solenoid Valves
(Includes Mounting hardware and seal)
4V-300M-8 3/8" Port
8 Stations
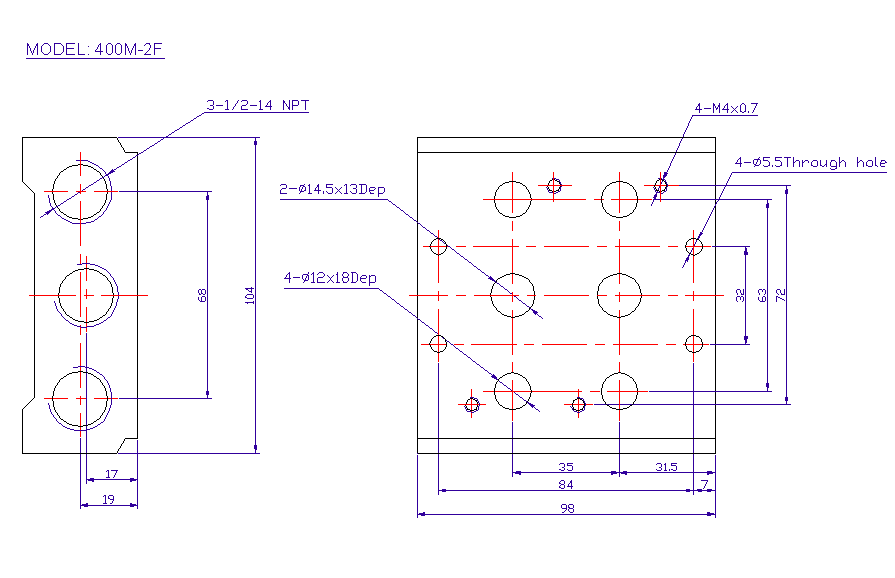
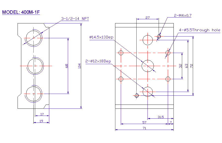
4V-400M-4 1/2" Port
4 Stations
Integrated Base for Mounting 4V-400 & 4A-400 Series Solenoid Valves
(Includes Mounting hardware and seal)
4V-400M-8 1/2" Port
8 Stations









Home Terms of Use Terms of Sale Career Contact Us Click Here to Order
Sizto Tech Corporation © 2001-2016. All rights reserved. Last modified: March 1, 2016.
Information contained herein may be changed without prior notification.