STC Valve Inc Logo Flow Control Valve Stainless Steel Push In Elbow Fitting Stainless Steel Compression Fitting Pneumatic Air Valve Bronze Two Way Process Valve Stainless Steel Manual Ball Valve Stainless Steel Air Actuated Ball Valve Manual Four Way Air Valve Air Filter Regulator Lubricator Combination Contact Us
Support & Downloads
Home 1 Push In Fittings 2 Stainless Steel Fittings 3 Compr.&
Barb Fittings
4 Solenoid Valves 5 Process Valves 6 Manual
Ball Valves
7 Actuated Valves 8 Air Valves 9 Air Regulators Click Here
to Order

Call us at (650) 938-8833 or email us at Sales@StcValve.net.

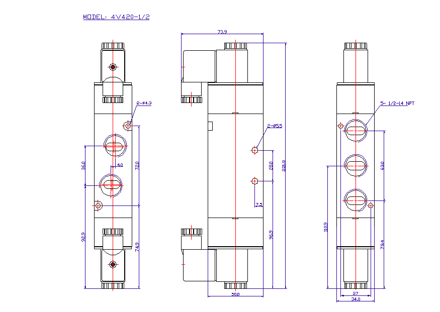
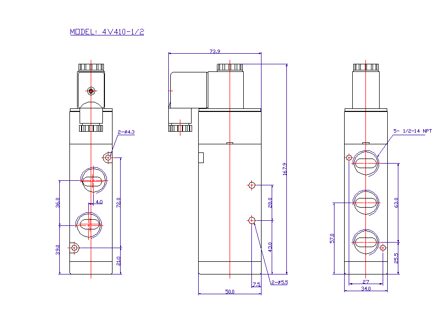
STC Solenoid and Pneumatic Directional Control Valve Specifications


Download CAD Drawings:   4V410-1/2   4V420-1/2   4V430-1/2
Part No. Valve Picture Port Size (NPT) Voltage Electrical Connection Port No / Position / Solenoid Cv / Flow Rate Response Time Power Rating
4V410-1/2 1/2" 1 = 12VDC
2 = 24VDC

2A = 24VAC
3 = 110VAC
4 = 220VAC (50/60Hz)
G = Grommet

D = DIN (with LED Indicator)
5/2/1
Four Way Valve
2.79
160 SCFM @ 100PSI
<20ms 3 - 4.8W
4V420-1/2 1/2" 5/2/2
Four Way Valve
Double Solenoid
2.79
160 SCFM @ 100PSI
4V430C-1/2 1/2" 5/3/2
Four Way Valve
Double Solenoid
Three Position, Closed Center
2.79
160 SCFM @ 100PSI




Home Terms of Use Terms of Sale Career Contact Us Click Here to Order
Sizto Tech Corporation © 2001- All rights reserved. Sizto Tech Corporation © 2001-2016. All rights reserved. Last modified: May 10, 2016.
Information contained herein may be changed without prior notification.