Call us at (650) 938-8833 or email us at Sales@StcValve.net.
| Part No. | Valve Picture | Port Size (NPT) | Voltage | Electrical Connection | Port No / Position / Solenoid | Cv/Orifice/ Flow Rate/Pressure |
Response Time | Power Rating | Valve Symbol P = Inlet Port A, B = Outlet Port E, R, S = Exhaust Port |
| 2V025-1/8 |
![]() |
1/8" | 1 = 12VDC 2 = 24VDC 2A = 24VAC 3 = 110VAC 4 = 220VAC (50/60Hz) |
G = Grommet D = DIN (with LED Indicator) |
2/2/1 Direct Acting Normally Closed Two Way Valve |
Cv = 0.23 Orifice = 2mm 22 SCFM @ 100PSI 0 - 115PSI |
<20ms | 3W for 60PSI 4.8W for 115PSI 6.5W for 150PSI |
|
| 2V025-1/4 | 1/4" | ||||||||
| 2V035-1/8 | 1/8" | 1 = 12VDC 2 = 24VDC 2A = 24VAC 3 = 110VAC 4 = 220VAC (50/60Hz) |
G = Grommet D = DIN (with LED Indicator) |
3/2/1 Direct Acting Normally Closed Three Way Valve |
Cv = 0.05 Orifice = 1mm 5 SCFM @ 100PSI 0 - 115PSI |
<20ms | 3W for 60PSI 4.8W for 115PSI 6.5W for 150PSI |
![]() |
|
| 2V035-1/4 | 1/4" |
| Specifications | |
| Port & Mounting | Body Ported |
| Action & Motion | Direct Acting, Normally Closed, Two Position, 2 to 3 Way |
| Operating Pressure | 28" Hg to 115PSI (Coil Wattage Dependent) |
| Working Medium | Air, Inert Gas, & Liquid |
| Operating Temperature | -5 to 80°C with non-freezing medium |
| Coil Insulation & Protection Class | F Class, IP 65 (CE Certification) |
| Coil Duty Cycle | 100% ED |
| Electrical Connection | D = DIN (with LED indicator, conduit terminal) G = Grommet (12" Lead Wire) |
| Body Material | Anodized Aluminum |
| Seal Material | NBR (Buna N) |
| Armature Tube | Brass |
| Plunger & Spring | Stainless Steel |
| Lubrication | Not Required |
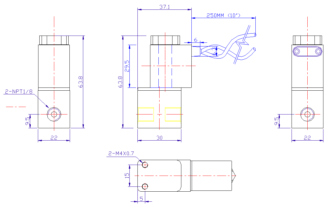
STC Solenoid Valve Dimensions (Units in mm)



| Home | Terms of Use | Terms of Sale | Career | Contact Us | Click Here to Order |
|
Sizto Tech Corporation © 2001- All rights reserved. Sizto Tech Corporation © 2001-2016. All rights reserved. Last modified: May 10, 2016. Information contained herein may be changed without prior notification. |
|||||