Call us at (650) 938-8833 or email us at Sales@StcValve.net.

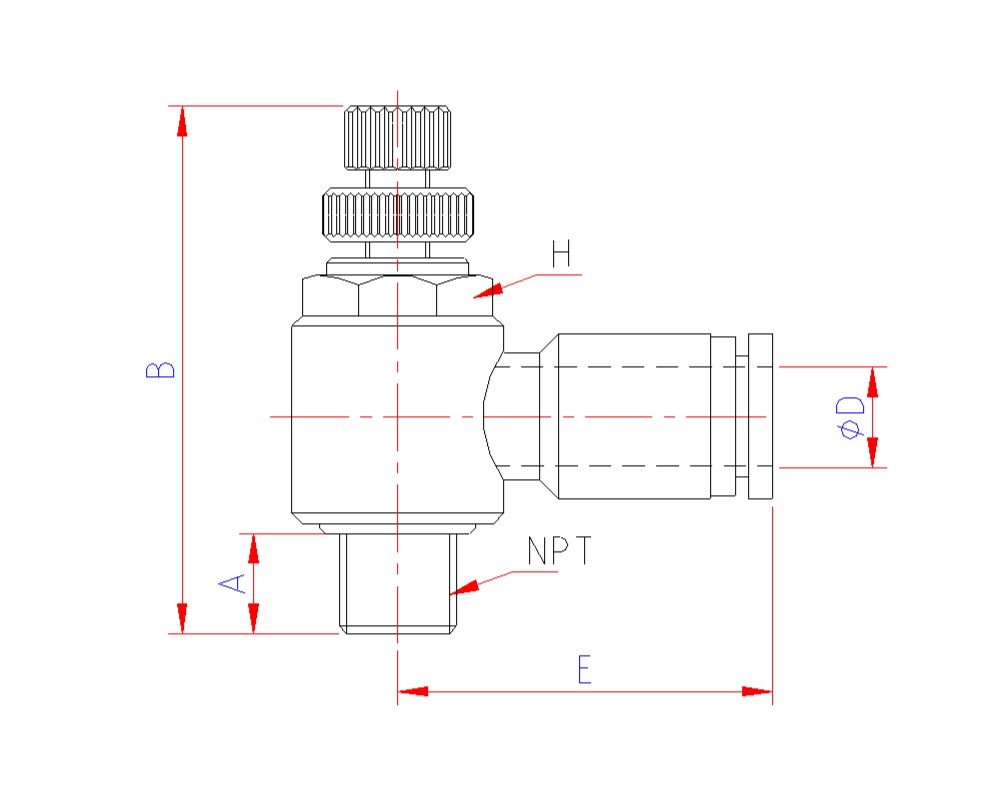
Model CV/CI Dimensions
|
|||||||
| Model (CI or CV) | ФD | Thread Size | A | H | E | B | |
| CV 5/32 10-32 | 5/32 | 10-32UNF | 3.8 | 8 | 20 | 29.3 | |
| CV 5/32 N1/8 | 5/32 | NPT1/8 | 7.5 | 11.1 | 22.6 | 40.1 | |
| CV 1/4 10-32 | 1/4 | 10-32UNF | 3.8 | 8 | 22 | 29.3 | |
| CV 1/4 N1/8 | 1/4 | NPT1/8 | 7.5 | 11.1 | 23.1 | 40.1 | |
| CV 1/4 N1/4 | 1/4 | NPT1/4 | 10.5 | 14.3 | 25.1 | 47.2 | |
| CV 1/4 N3/8 | 1/4 | NPT3/8 | 11 | 19 | 26.8 | 53.9 | |
| CV 5/16 N1/8 | 5/16 | NPT1/8 | 7.5 | 11.1 | 25.6 | 40.1 | |
| CV 5/16 N1/4 | 5/16 | NPT1/4 | 10.5 | 14.3 | 28.6 | 47.2 | |
| CV 5/16 N3/8 | 5/16 | NPT3/8 | 11 | 19 | 29.6 | 53.9 | |
| CV 3/8 N1/4 | 3/8 | NPT1/4 | 10.5 | 14.3 | 31 | 47.2 | |
| CV 3/8 N3/8 | 3/8 | NPT3/8 | 11 | 19 | 31.6 | 53.9 | |
| CV 3/8 N1/2 | 3/8 | NPT1/2 | 14 | 25.4 | 34.6 | 58.4 | |
| CV 1/2 N3/8 | 1/2 | NPT3/8 | 11 | 19 | 35.6 | 53.9 | |
| CV 1/2 N1/2 | 1/2 | NPT1/2 | 14 | 25.4 | 36.6 | 58.4 | |
| CV 4 M5 | 4 | M5 | 4 | 8 | 20 | 29.3 | |
| CV 4 R1/8 | 4 | R1/8 | 7 | 10 | 22.3 | 39.7 | |
| CV 4 R1/4 | 4 | R1/4 | 9.5 | 14 | 24.1 | 46.4 | |
| CV 6 M5 | 6 | M5 | 4 | 8 | 21.9 | 29.3 | |
| CV 6 R1/8 | 6 | R1/8 | 7 | 10 | 23.1 | 39.7 | |
| CV 6 R1/4 | 6 | R1/4 | 9.5 | 14 | 25.1 | 46.4 | |
| CV 6 R3/8 | 6 | R3/8 | 10.5 | 19 | 26.8 | 53.4 | |
| CV 6 R1/2 | 6 | R1/2 | 13.5 | 24 | 29.8 | 57.9 | |
| CV 8 R1/8 | 8 | R1/8 | 7 | 10 | 25.6 | 39.7 | |
| CV 8 R1/4 | 8 | R1/4 | 9.5 | 14 | 28.6 | 46.4 | |
| CV 8 R3/8 | 8 | R3/8 | 10.5 | 19 | 29.6 | 53.4 | |
| CV 8 R1/2 | 8 | R1/2 | 13.5 | 24 | 32.6 | 57.9 | |
| CV 10 R1/8 | 10 | R1/8 | 7 | 10 | 28.8 | 39.7 | |
| CV 10 R1/4 | 10 | R1/4 | 9.5 | 14 | 31 | 46.4 | |
| CV 10 R3/8 | 10 | R3/8 | 10.5 | 19 | 31.6 | 53.4 | |
| CV 10 R1/2 | 10 | R1/2 | 13.5 | 24 | 34.6 | 57.9 | |
| CV 12 R1/4 | 12 | R1/4 | 9.5 | 14 | 33.5 | 46.4 | |
| CV 12 R3/8 | 12 | R3/8 | 10.5 | 19 | 35.6 | 53.4 | |
| CV 12 R1/2 | 12 | R1/2 | 13.5 | 24 | 36.6 | 57.9 | |
| Dimensions for Reference Use Only: Imperial fittings in mm, Metric fittings in mm, U.S.O. | |||||||
Angle Air Flow Control Valve Flow Characteristics

Link to Push-In Air Fitting Installation Procedure and Specifications
| Home | Terms of Use | Terms of Sale | Career | Contact Us | Click Here to Order |
|
Sizto Tech Corporation © 2001- All rights reserved. Sizto Tech Corporation © 2001-2016. All rights reserved. Last modified: May 10, 2016. Information contained herein may be changed without prior notification. |
|||||