Call us at (650) 938-8833 or email us at Sales@StcValve.net.

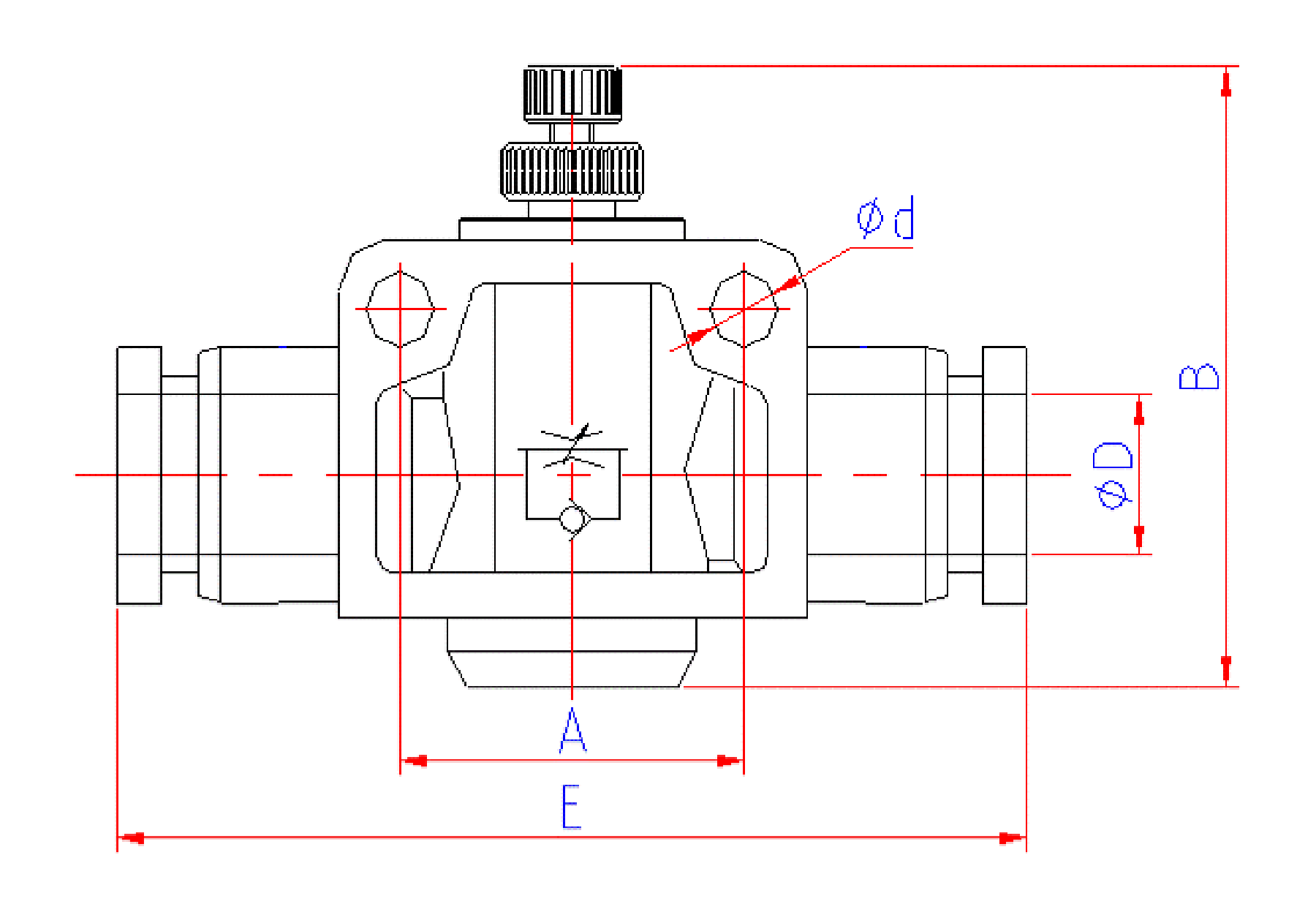
Model FV Dimensions
|
|||||
| Model | ФD | Фd | A | B | E |
| FV 5/32 | 5/32 | 3.2 | 14 | 28.8 | 39.5 |
| FV 3/16 | 3/16 | 3.2 | 14 | 28.8 | 40.1 |
| FV 1/4 | 1/4 | 4.3 | 20 | 42.6 | 47.6 |
| FV 5/16 | 5/16 | 4.3 | 22 | 44.3 | 52.6 |
| FV 3/8 | 3/8 | 4.3 | 26 | 53.4 | 60.5 |
| FV 1/2 | 1/2 | 4.3 | 32 | 55.6 | 74.2 |
| FV 04 | 4 | 3.2 | 14 | 28.8 | 39.5 |
| FV 06 | 6 | 4.3 | 20 | 42.6 | 47.6 |
| FV 08 | 8 | 4.3 | 22 | 44.3 | 52.6 |
| FV 10 | 10 | 4.3 | 26 | 53.4 | 60.5 |
| FV 12 | 12 | 4.3 | 32 | 55.6 | 74.2 |
| Dimensions for Reference Use Only: Imperial fittings in mm, Metric fittings in mm, U.S.O. | |||||
In-Line Air Flow Control Valve Flow Characteristics

Link to Push-In Air Fitting Installation Procedure and Specifications
| Home | Terms of Use | Terms of Sale | Career | Contact Us | Click Here to Order |
|
Sizto Tech Corporation © 2001- All rights reserved. Sizto Tech Corporation © 2001-2016. All rights reserved. Last modified: May 10, 2016. Information contained herein may be changed without prior notification. |
|||||