Call us at (650) 938-8833 or email us at Sales@StcValve.net.

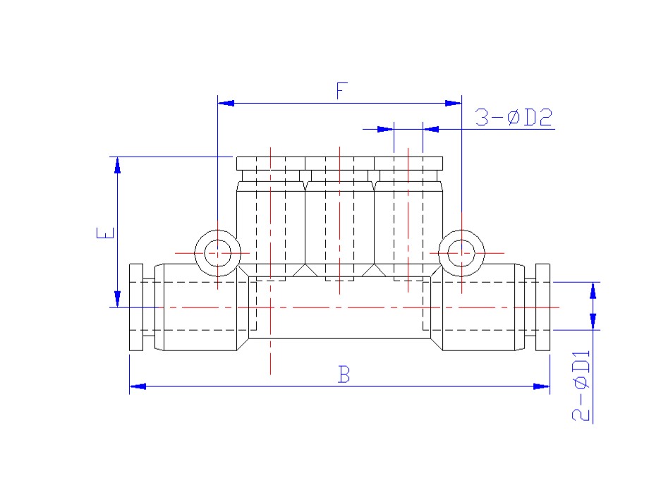
Model MM Dimensions
|
||||||||
| Model | ФD1 | ФD2 | Thread Size | H | E | F | B | A |
| MM 3/16-5/32-N1/8 | 3/16 | 5/32 | NPT1/8 | 11.1 | 19 | 36 | 64.3 | 7.5 |
| MM 1/4-5/32-N1/8 | 1/4 | 5/32 | NPT1/8 | 12.7 | 19 | 36 | 64.3 | 7.5 |
| MM 5/16-5/32-N1/4 | 5/16 | 5/32 | NPT1/4 | 14.3 | 20 | 42 | 72.3 | 10.5 |
| MM 5/16-3/16-N1/4 | 5/16 | 3/16 | NPT1/4 | 14.3 | 20.3 | 42 | 72.3 | 10.5 |
| MM 5/16-1/4-N1/4 | 5/16 | 1/4 | NPT1/4 | 14.3 | 20.3 | 42 | 72.3 | 10.5 |
| MM 3/8-5/16-N3/8 | 3/8 | 5/16 | NPT3/8 | 17.4 | 24.3 | 48 | 91.5 | 11 |
| MM 6-4-R1/8 | 6 | 4 | R1/8 | 12 | 19 | 36 | 63.8 | 7 |
| MM 8-4-R1/4 | 8 | 4 | R1/4 | 14 | 20 | 42 | 71.3 | 9.5 |
| MM 8-6-R1/4 | 8 | 6 | R1/4 | 14 | 20.3 | 42 | 71.3 | 9.5 |
| MM 10-8-R3/8 | 10 | 8 | R3/8 | 17 | 24.3 | 48 | 91 | 10.5 |
| Dimensions for Reference Use Only: Imperial fittings in mm, Metric fittings in mm, U.S.O. | ||||||||

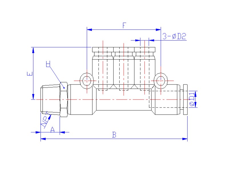
Model MU Dimensions
|
|||||
| Model | ФD | F | E | B | |
| MU 5/32 | 5/32 | 36 | 19 | 57 | |
| MU 3/16 | 3/16 | 36 | 19.3 | 57.6 | |
| MU 1/4 | 1/4 | 42 | 20.3 | 61.6 | |
| MU 5/16 | 5/16 | 48 | 24.3 | 81.6 | |
| MU 4 | 4 | 36 | 19 | 57 | |
| MU 6 | 6 | 42 | 20.3 | 61.6 | |
| MU 8 | 8 | 48 | 24.3 | 81.6 | |
| Model | ФD1 | ФD2 | F | E | B |
| MU 3/16-5/32 | 3/16 | 5/32 | 36.0 | 19.0 | 57.6 |
| MU 1/4-5/32 | 1/4 | 5/32 | 36.0 | 19.0 | 57.6 |
| MU 5/16-5/32 | 5/16 | 5/32 | 42.0 | 20.0 | 62.6 |
| MU 5/16-3/16 | 5/16 | 3/16 | 42.0 | 20.3 | 62.6 |
| MU 5/16-1/4 | 5/16 | 1/4 | 42.0 | 20.3 | 62.6 |
| MU 3/8-1/4 | 3/8 | 1/4 | 48.0 | 23.8 | 80.0 |
| MU 3/8-5/16 | 3/8 | 5/16 | 48.0 | 24.3 | 80.0 |
| MU 6-4 | 6 | 4 | 36.0 | 19.0 | 57.6 |
| MU 8-4 | 8 | 4 | 42.0 | 20.0 | 62.6 |
| MU 8-6 | 8 | 6 | 42.0 | 20.3 | 62.6 |
| MU 10-6 | 10 | 6 | 48.0 | 23.8 | 80.0 |
| MU 10-8 | 10 | 8 | 48.0 | 24.3 | 80.0 |
| Dimensions for Reference Use Only: Imperial fittings in mm, Metric fittings in mm, U.S.O. | |||||
Link to Push-In Air Fitting Installation Procedure and Specifications
| Home | Terms of Use | Terms of Sale | Career | Contact Us | Click Here to Order |
|
Sizto Tech Corporation © 2001- All rights reserved. Sizto Tech Corporation © 2001-2016. All rights reserved. Last modified: May 10, 2016. Information contained herein may be changed without prior notification. |
|||||