STC Valve Inc Logo Flow Control Valve Stainless Steel Push In Elbow Fitting Stainless Steel Compression Fitting Pneumatic Air Valve Bronze Two Way Process Valve Stainless Steel Manual Ball Valve Stainless Steel Air Actuated Ball Valve Manual Four Way Air Valve Air Filter Regulator Lubricator Combination Contact Us
Support & Downloads
Home 1 Push In Fittings 2 Stainless Steel Fittings 3 Compr.&
Barb Fittings
4 Solenoid Valves 5 Process Valves 6 Manual
Ball Valves
7 Actuated Valves 8 Air Valves 9 Air Regulators Click Here
to Order

Call us at (650) 938-8833 or email us at Sales@StcValve.net.

Quick Exhaust Air Valve & Shuttle Air Valve Dimensions

Quick Exhaust Air Valve Operation:

As shown in the pneumatic symbol below, the Quick Exhaust Valve has three connecting ports: a pressure port (P) & an exhaust port (R) on opposite ends of the valve, and an outlet port (A) on the top of the valve. When air pressure is applied to the pressure port (P), an internal check valve piston allows air to move from the pressure port (P) to the outlet port (A). When the air pressure is removed from the pressure port (P), the internal check valve piston allows air to exhaust from the outlet port (A) to the exhaust port (R). The Quick Exhaust Air Valve is designed to allow air to be quickly exhausted from an air reservoir or an air cylinder to achieve higher cycle speeds.

QUICK EXHAUST VALVE Quick Exhaust Valve
Quick Exhaust Valve Symbol

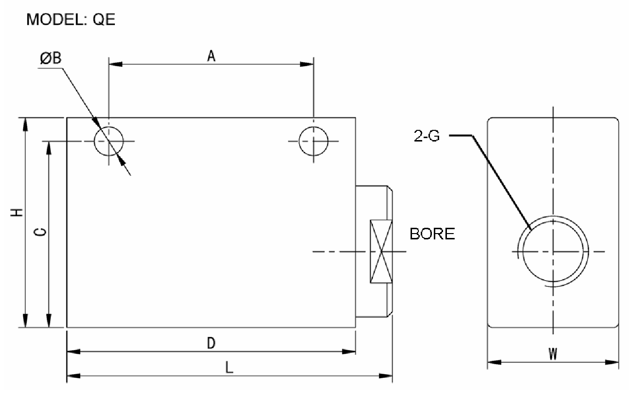
Quick Exhaust Valve (Units in mm)

Part No.Bore
(NPT)
G
(NPT)
LWHABCDCv
QE N1/81/4"1/8"462032304.327401
QE N1/43/8"1/4"622540395.633.5551.3
QE N3/81/2"3/8"622540395.633.5551.4
QE N1/23/4"1/2"983864608.551904
QE N3/41"3/4"983864608.551904.1

Shuttle Air Valve Operation:

As shown in the pneumatic symbol below, the Shuttle Air Valve has three connecting ports: two pressure ports (P1 & P2), one on each end of the valve, and an outlet port (A) on the top of the valve. An internal check valve piston moves freely between the two ends of the valve. When air pressure is applied to one of the pressure ports (e.g. P1), it pushes the piston towards the opposite end of the valve. This prevents the air from exiting through the opposite pressure port (e.g. P2), but allows air to flow through the outlet port (A). The Shuttle Air Valve is designed to allow two different air pressure sources (P1 & P2) to be alternately shuttled to a single outlet (A), while preventing backflow from one pressure source to the other.

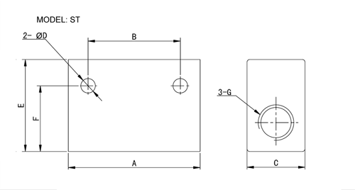
SHUTTLE VALVE SHUTTLE VAVLE DIMENSION
SHUTTLE VALVE SYMBOL

Shuttle Valve (Units in mm)

Part No.G (NPT)ABCDEFCv
ST N1/81/84024164.525210.35
ST N1/41/45035225.535251
ST N3/83/8754830750422
ST N1/21/2754830750423.5
ST N3/43/41107240770586
ST N1111072407705810

Home Terms of Use Terms of Sale Career Contact Us Click Here to Order
Sizto Tech Corporation © 2001- All rights reserved. Sizto Tech Corporation © 2001-2016. All rights reserved. Last modified: May 10, 2016.
Information contained herein may be changed without prior notification.