Call us at (650) 938-8833 or email us at Sales@StcValve.net.

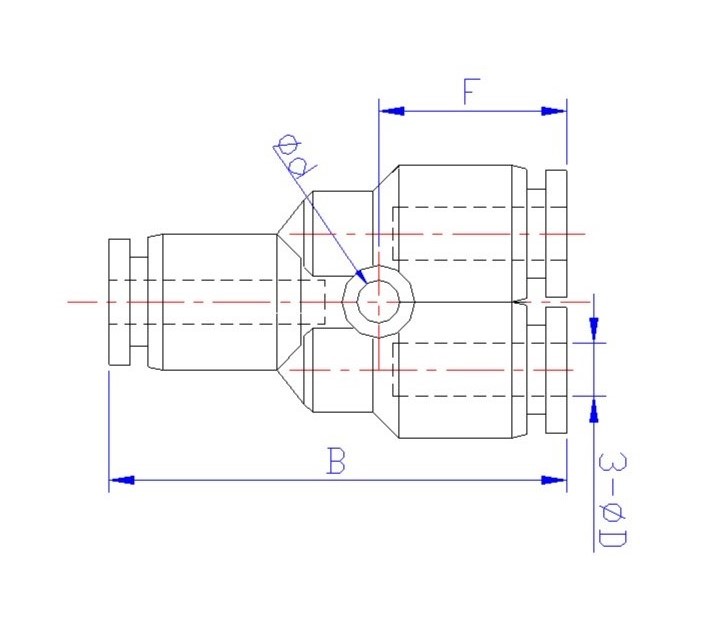
Model YU Dimensions
|
||||
| Model | ФD | Фd | B | F |
| YU 5/32 | 5/32 | 3.2 | 35.5 | 14 |
| YU 3/16 | 3/16 | 3.2 | 36.1 | 14.3 |
| YU 1/4 | 1/4 | 3.2 | 37.1 | 14.8 |
| YU 5/16 | 5/16 | 3.2 | 40.4 | 18.2 |
| YU 3/8 | 3/8 | 4.2 | 47.1 | 19.5 |
| YU 1/2 | 1/2 | 4.2 | 53.2 | 21.6 |
| YU 4 | 4 | 3.2 | 35.5 | 14 |
| YU 6 | 6 | 3.2 | 37.1 | 14.8 |
| YU 8 | 8 | 3.2 | 40.4 | 18.2 |
| YU 10 | 10 | 4.2 | 47.1 | 19.5 |
| YU 12 | 12 | 4.2 | 53.2 | 21.6 |
| Dimensions for Reference Use Only: Imperial fittings in mm, Metric fittings in mm, U.S.O. | ||||
Link to Push-In Air Fitting Installation Procedure and Specifications
| Home | Terms of Use | Terms of Sale | Career | Contact Us | Click Here to Order |
|
Sizto Tech Corporation © 2001- All rights reserved. Sizto Tech Corporation © 2001-2016. All rights reserved. Last modified: May 10, 2016. Information contained herein may be changed without prior notification. |
|||||