STC Valve Inc Logo Flow Control Valve Stainless Steel Push In Elbow Fitting Stainless Steel Compression Fitting Pneumatic Air Valve Bronze Two Way Process Valve Stainless Steel Manual Ball Valve Stainless Steel Air Actuated Ball Valve Manual Four Way Air Valve Air Filter Regulator Lubricator Combination Contact Us
Support & Downloads
Home 1 Push In Fittings 2 Stainless Steel Fittings 3 Compr.&
Barb Fittings
4 Solenoid Valves 5 Process Valves 6 Manual
Ball Valves
7 Actuated Valves 8 Air Valves 9 Air Regulators Click Here
to Order

Call us at (650) 938-8833 or email us at Sales@StcValve.net.

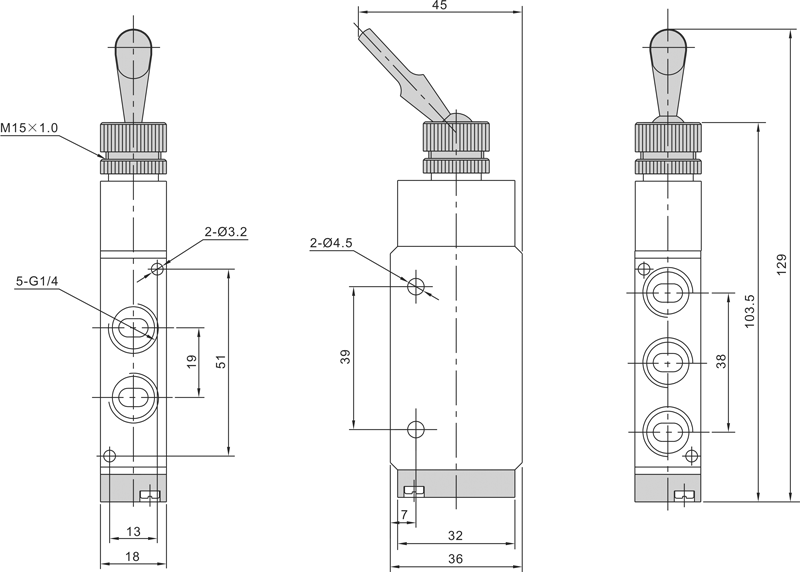
Hand Operated Air Valve Dimensions (Units in mm)

Toggle Air Switch Specifications
Part No. MPV522
Working Medium Air (to be filtered to 40µ filter element)
Port Size (NPT) 1/4"
Effective Cross Section Area 18mm2 (Cv = 1.00)
Working Pressure 0~0.8MPa
Temperature 0~60°C
Panel Hole 15mm

TOGGLE AIR VALVE DIMENSIONS


Home Terms of Use Terms of Sale Career Contact Us Click Here to Order
Sizto Tech Corporation © 2001- All rights reserved. Sizto Tech Corporation © 2001-2016. All rights reserved. Last modified: May 10, 2016.
Information contained herein may be changed without prior notification.