Call us at (650) 938-8833 or email us at Sales@StcValve.net.
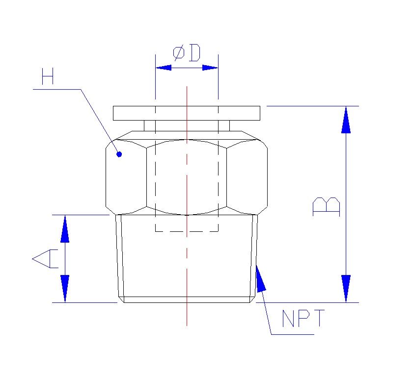
Male Connector Stainless Steel Fitting Dimensions |
|||||
![]() |
|||||
| Model | Male Connector | ||||
| MCS | |||||
| ФD | T, Thread Size | Part No. | A | B | H |
| 1/8" | 10-32 | MCS 1/8 10-32W | 4.8 | 23.2 | S11 |
| 1/8" | 1/8 NPT | MCS 1/8 N1/8W | 8 | 20.4 | S11 |
| 1/8" | 1/4 NPT | MCS 1/8 N1/4W | 11.5 | 23.4 | S14 |
| 5/32" | 10-32 | MCS 5/32 10-32W | 4.8 | 23.2 | S11 |
| 5/32" | 1/8 NPT | MCS 5/32 N1/8W | 8 | 20.4 | S11 |
| 5/32" | 1/4 NPT | MCS 5/32 N1/4W | 11 | 21.5 | S14 |
| 3/16" | 1/8 NPT | MCS 3/16 N1/8W | 8.2 | 23.6 | S14 |
| 3/16" | 1/4 NPT | MCS 3/16 N1/4W | 11.5 | 23.6 | S14 |
| 1/4" | 10-32 | MCS 1/4 10-32W | 4.8 | 25.4 | S14 |
| 1/4" | 1/8 NPT | MCS 1/4 N1/8W | 8.2 | 23.6 | S14 |
| 1/4" | 1/4 NPT | MCS 1/4 N1/4W | 11.5 | 23.6 | S14 |
| 1/4" | 3/8 NPT | MCS 1/4 N3/8W | 12 | 24.6 | S18 |
| 5/16" | 1/8 NPT | MCS 5/16 N1/8W | 8.2 | 30.3 | S17 |
| 5/16" | 1/4 NPT | MCS 5/16 N1/4W | 11.5 | 29.1 | S17 |
| 5/16" | 3/8 NPT | MCS 5/16 N3/8W | 12.5 | 25.6 | S18 |
| 5/16" | 1/2 NPT | MCS 5/16 N1/2W | 15 | 31.2 | S22 |
| 3/8" | 1/8 NPT | MCS 3/8 N1/8W | 8.2 | 34.7 | S18 |
| 3/8" | 1/4 NPT | MCS 3/8 N1/4W | 11.5 | 36.4 | S18 |
| 3/8" | 3/8 NPT | MCS 3/8 N3/8W | 12.5 | 32.5 | S18 |
| 3/8" | 1/2 NPT | MCS 3/8 N1/2W | 15 | 31.5 | S22 |
| 1/2" | 1/4 NPT | MCS 1/2 N1/4W | 11.5 | 40.2 | S22 |
| 1/2" | 3/8 NPT | MCS 1/2 N3/8W | 12.5 | 36.7 | S22 |
| 1/2" | 1/2 NPT | MCS 1/2 N1/2W | 15 | 33.7 | S22 |
| 4 | M5 | MCS 4 M5W | 4.8 | 23.2 | S11 |
| 4 | 1/8 BSPT | MCS 4 R1/8W | 8 | 20.4 | S11 |
| 4 | 1/4 BSPT | MCS 4 R1/4W | 11.5 | 23.4 | S14 |
| 6 | M5 | MCS 6 M5W | 4.8 | 25.4 | S14 |
| 6 | 1/8 BSPT | MCS 6 R1/8W | 8.2 | 23.6 | S14 |
| 6 | 1/4 BSPT | MCS 6 R1/4W | 11.5 | 23.6 | S14 |
| 6 | 3/8 BSPT | MCS 6 R3/8W | 12 | 24.6 | S18 |
| 8 | 1/8 BSPT | MCS 8 R1/8W | 8.2 | 30.3 | S17 |
| 8 | 1/4 BSPT | MCS 8 R1/4W | 11.5 | 29.1 | S17 |
| 8 | 3/8 BSPT | MCS 8 R3/8W | 12.5 | 25.6 | S18 |
| 8 | 1/2 BSPT | MCS 8 R1/2W | 15 | 30.1 | S22 |
| 10 | 1/8 BSPT | MCS 10 R1/8W | 8.2 | 34.7 | S18 |
| 10 | 1/4 BSPT | MCS 10 R1/4W | 11.5 | 36.5 | S18 |
| 10 | 3/8 BSPT | MCS 10 R3/8W | 12.5 | 32.5 | S18 |
| 10 | 1/2 BSPT | MCS 10 R1/2W | 15 | 31.5 | S22 |
| 12 | 1/4 BSPT | MCS 12 R1/4W | 11.5 | 40.2 | S22 |
| 12 | 3/8 BSPT | MCS 12 R3/8W | 12.5 | 36.7 | S22 |
| 12 | 1/2 BSPT | MCS 12 R1/2W | 15 | 33.7 | S22 |
| Dimensions for Reference Use Only: Imperial fittings in mm, Metric fittings in mm, U.S.O. | |||||
Link to Stainless Steel Fittings Specification Guide
| Home | Terms of Use | Terms of Sale | Career | Contact Us | Click Here to Order |
|
Sizto Tech Corporation © 2001- All rights reserved. Sizto Tech Corporation © 2001-2016. All rights reserved. Last modified: May 10, 2016. Information contained herein may be changed without prior notification. |
|||||