Call us at (650) 938-8833 or email us at Sales@StcValve.net.
Stainless Steel Fitting Dimensions |
||||||||||
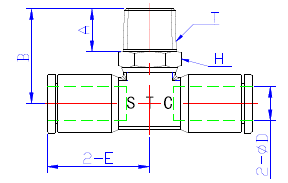
![]() |
![]() |
|||||||||
| Model | Branch Tee | Male Elbow | ||||||||
| BTS | MES | |||||||||
| ФD | T, Thread Size | H | Part No. | A | B | E | Part No. | A | B | E |
| 1/8" | 10-32 | S11 | BTS 1/8 10-32W | 5.4 | 21.85 | 20.2 | MES 1/8 10-32W | 5.4 | 21.85 | 20.2 |
| 1/8" | 1/8 NPT | S11 | BTS 1/8 N1/8W | 8.2 | 19.5 | 20.2 | MES 1/8 N1/8W | 8.2 | 19.5 | 20.2 |
| 1/8" | 1/4 NPT | S14 | BTS 1/8 N1/4W | 11.5 | 22.8 | 20.2 | MES 1/8 N1/4W | 11.5 | 22.8 | 20.2 |
| 5/32" | 10-32 | S11 | BTS 5/32 10-32W | 5.4 | 21.85 | 20.2 | MES 5/32 10-32W | 5.4 | 21.85 | 20.2 |
| 5/32" | 1/8 NPT | S11 | BTS 5/32 N1/8W | 8.2 | 19.5 | 20.2 | MES 5/32 N1/8W | 8.2 | 19.5 | 20.2 |
| 5/32" | 1/4 NPT | S14 | BTS 5/32 N1/4W | 11.5 | 22.8 | 20.2 | MES 5/32 N1/4W | 11.5 | 22.8 | 20.2 |
| 3/16" | 1/8 NPT | S11 | BTS 3/16 N1/8W | 8.2 | 21.3 | 22.6 | MES 3/16 N1/8W | 8.2 | 21.3 | 22.6 |
| 3/16" | 1/4 NPT | S14 | BTS 3/16 N1/4W | 11.5 | 23.9 | 22.6 | MES 3/16 N1/4W | 11.5 | 23.9 | 22.6 |
| 1/4" | 10-32 | S12 | BTS 1/4 10-32W | 5.4 | 20.9 | 22.3 | MES 1/4 10-32W | 5.4 | 20.9 | 22.3 |
| 1/4" | 1/8 NPT | S11 | BTS 1/4 N1/8W | 8.2 | 21.3 | 22.3 | MES 1/4 N1/8W | 8.2 | 21.3 | 22.3 |
| 1/4" | 1/4 NPT | S14 | BTS 1/4 N1/4W | 11.5 | 23.9 | 22.3 | MES 1/4 N1/4W | 11.5 | 23.9 | 22.3 |
| 1/4" | 3/8 NPT | S18 | BTS 1/4 N3/8W | 12.5 | 24.9 | 22.3 | MES 1/4 N3/8W | 12.5 | 24.9 | 22.3 |
| 5/16" | 1/8 NPT | S11 | BTS 5/16 N1/8W | 8.2 | 22.3 | 24.1 | MES 5/16 N1/8W | 8.2 | 22.3 | 23.9 |
| 5/16" | 1/4 NPT | S14 | BTS 5/16 N1/4W | 11.5 | 24.4 | 24.1 | MES 5/16 N1/4W | 11.5 | 24.4 | 23.9 |
| 5/16" | 3/8 NPT | S18 | BTS 5/16 N3/8W | 12.5 | 25.9 | 24.1 | MES 5/16 N3/8W | 12.5 | 25.9 | 23.9 |
| 5/16" | 1/2 NPT | S22 | MES 5/16 N1/2W | 15 | 28.5 | 23.9 | ||||
| 3/8" | 1/8 NPT | S11 | BTS 3/8 N1/8W | 8.2 | 24.15 | 27.2 | MES 3/8 N1/8W | 8.2 | 24.65 | 30.5 |
| 3/8" | 1/4 NPT | S14 | BTS 3/8 N1/4W | 11.5 | 27.5 | 27.2 | MES 3/8 N1/4W | 11.5 | 28 | 30.5 |
| 3/8" | 3/8 NPT | S18 | BTS 3/8 N3/8W | 12.5 | 27.2 | 27.2 | MES 3/8 N3/8W | 12.5 | 27.7 | 30.5 |
| 3/8" | 1/2 NPT | S22 | BTS 3/8 N1/2W | 15 | 30.1 | 27.2 | MES 3/8 N1/2W | 15 | 30 | 30.5 |
| 1/2" | 1/4 NPT | S14 | BTS 1/2 N1/4W | 11.5 | 32.2 | 31.9 | MES 1/2 N1/4W | 11.5 | 32.5 | 32.2 |
| 1/2" | 3/8 NPT | S18 | BTS 1/2 N3/8W | 12.5 | 29.8 | 31.9 | MES 1/2 N3/8W | 12.5 | 29.6 | 32.2 |
| 1/2" | 1/2 NPT | S22 | BTS 1/2 N1/2W | 15 | 32.3 | 31.9 | MES 1/2 N1/2W | 15 | 32.6 | 32.2 |
| 4 | M5 | S11 | BTS 4 M5W | 5.4 | 21.85 | 20.2 | MES 4 M5W | 5.4 | 21.85 | 20.2 |
| 4 | 1/8 BSPT | S11 | BTS 4 R1/8W | 8.2 | 19.5 | 20.2 | MES 4 R1/8W | 8.2 | 19.5 | 20.2 |
| 4 | 1/4 BSPT | S14 | BTS 4 R1/4W | 11.5 | 22.8 | 20.2 | MES 4 R1/4W | 11.5 | 22.8 | 20.2 |
| 6 | M5 | S11 | BTS 6 M5W | 5.4 | 20.9 | 22.3 | MES 6 M5W | 5.4 | 20.9 | 22.3 |
| 6 | 1/8 BSPT | S11 | BTS 6 R1/8W | 8.2 | 21.3 | 22.3 | MES 6 R1/8W | 8.2 | 21.3 | 22.3 |
| 6 | 1/4 BSPT | S14 | BTS 6 R1/4W | 11.5 | 23.9 | 22.3 | MES 6 R/14W | 11.5 | 23.9 | 22.3 |
| 6 | 3/8 BSPT | S18 | BTS 6 R3/8W | 12.5 | 24.9 | 22.3 | MES 6 R3/8W | 12.5 | 24.9 | 22.3 |
| 8 | 1/8 BSPT | S11 | BTS 8 R1/8W | 8.2 | 22.3 | 24.1 | MES 8 R1/8W | 8.2 | 22.3 | 23.9 |
| 8 | 1/4 BSPT | S14 | BTS 8 R1/4W | 11.5 | 24.4 | 24.1 | MES 8 R1/4W | 11.5 | 24.4 | 23.9 |
| 8 | 3/8 BSPT | S18 | BTS 8 R3/8W | 12.5 | 25.9 | 24.1 | MES 8 R3/8W | 12.5 | 25.9 | 23.9 |
| 8 | 1/2 BSPT | S22 | BTS 8 R1/2W | 15 | 28.4 | 24.1 | MES 8 R1/2W | 15 | 28.4 | 23.9 |
| 10 | 1/8 BSPT | S11 | BTS 10 R1/8W | 8.2 | 24.15 | 27.2 | MES 10 R1/8W | 8.2 | 24.65 | 30.5 |
| 10 | 1/4 BSPT | S14 | BTS 10 R1/4W | 11.5 | 27.5 | 27.2 | MES 10 R1/4W | 11.5 | 28 | 30.5 |
| 10 | 3/8 BSPT | S18 | BTS 10 R3/8W | 12.5 | 27.2 | 27.2 | MES 10 R3/8W | 12.5 | 27.7 | 30.5 |
| 10 | 1/2 BSPT | S22 | BTS 10 R1/2W | 15 | 30.1 | 27.2 | MES 10 R1/2W | 15 | 30 | 30.5 |
| 12 | 1/4 BSPT | S14 | BTS 12 R1/4W | 11.5 | 32.2 | 31.9 | MES 12 R1/4W | 11.5 | 32.5 | 32.2 |
| 12 | 3/8 BSPT | S18 | BTS 12 R3/8W | 12.5 | 29.8 | 31.9 | MES 12 R3/8W | 12.5 | 29.6 | 32.2 |
| 12 | 1/2 BSPT | S22 | BTS 12 R1/2W | 15 | 32.3 | 31.9 | MES 12 R1/2W | 15 | 32.6 | 32.2 |
| Dimensions for Reference Use Only: Imperial fittings in mm, Metric fittings in mm, U.S.O. | ||||||||||
Link to Stainless Steel Fittings Specification Guide
| Home | Terms of Use | Terms of Sale | Career | Contact Us | Click Here to Order |
|
Sizto Tech Corporation © 2001- All rights reserved. Sizto Tech Corporation © 2001-2016. All rights reserved. Last modified: May 10, 2016. Information contained herein may be changed without prior notification. |
|||||