Call us at (650) 938-8833 or email us at Sales@StcValve.net.
Stainless Steel Fitting Dimensions |
|||||
![]() |
|||||
| Model | Tube Adaptor | ||||
| TAS | |||||
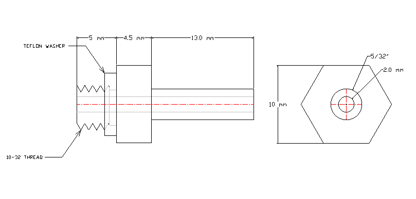
| Tube ФD | T, Thread Size | Part No. | A | B | H |
| 1/8" | 10-32 | TAS 1/8 10-32 | 23.4 | 13 | S11 |
| 1/8" | 1/8 NPT | TAS 1/8 N1/8 | 26.2 | 13 | S11 |
| 1/8" | 1/4 NPT | TAS 1/8 N1/4 | 29.5 | 13 | S14 |
| 5/32" | 10-32 | TAS 5/32 10-32 | 25.4 | 15 | S11 |
| 5/32" | 1/8 NPT | TAS 5/32 N1/8 | 28.2 | 15 | S11 |
| 5/32" | 1/4 NPT | ||||
| 3/16" | 1/8 NPT | TAS 3/16 N1/8 | 28.2 | 15 | S11 |
| 3/16" | 1/4 NPT | TAS 3/16 N1/4 | 31.5 | 15 | S14 |
| 1/4" | 10-32 | TAS 1/4 10-32 | 28.4 | 18 | S11 |
| 1/4" | 1/8 NPT | TAS 1/4 N1/8 | 31.2 | 18 | S11 |
| 1/4" | 1/4 NPT | TAS 1/4 N1/4 | 34.5 | 18 | S14 |
| 1/4" | 3/8 NPT | TAS 1/4 N3/8 | 35.5 | 18 | S18 |
| 5/16" | 1/8 NPT | TAS 5/16 N1/8 | 34.2 | 21 | S11 |
| 5/16" | 1/4 NPT | TAS 5/16 N1/4 | 37.5 | 21 | S14 |
| 5/16" | 3/8 NPT | TAS 5/16 N3/8 | 38.5 | 21 | S18 |
| 3/8" | 1/8 NPT | TAS 3/8 N1/8 | 34.2 | 21 | S11 |
| 3/8" | 1/4 NPT | TAS 3/8 N1/4 | 37.5 | 21 | S14 |
| 3/8" | 3/8 NPT | TAS 3/8 N3/8 | 38.5 | 21 | S18 |
| 3/8" | 1/2 NPT | TAS 3/8 N1/2 | 41 | 21 | S22 |
| 1/2" | 1/4 NPT | TAS 1/2 N1/4 | 37.5 | 21 | S14 |
| 1/2" | 3/8 NPT | TAS 1/2 N3/8 | 38.5 | 21 | S18 |
| 1/2" | 1/2 NPT | TAS 1/2 N1/2 | 41 | 21 | S22 |
| 4mm | M5 | TAS 4 M5 | 25.4 | 15 | S11 |
| 4mm | 1/8 BSPT | TAS 4 R1/8 | 28.2 | 15 | S11 |
| 4mm | 1/4 BSPT | TAS 4 1/4 | 31.5 | 15 | S14 |
| 6mm | M5 | TAS 6 M5 | 28.4 | 18 | S11 |
| 6mm | 1/8 BSPT | TAS 6 R1/8 | 31.2 | 18 | S11 |
| 6mm | 1/4 BSPT | TAS 6 R1/4 | 34.5 | 18 | S14 |
| 6mm | 3/8 BSPT | TAS 6 R3/8 | 35.5 | 18 | S18 |
| 8mm | 1/8 BSPT | TAS 8 R1/8 | 34.2 | 21 | S11 |
| 8mm | 1/4 BSPT | TAS 8 R1/4 | 37.5 | 21 | S14 |
| 8mm | 3/8 BSPT | TAS 8 R3/8 | 38.5 | 21 | S18 |
| 8mm | 1/2 BSPT | TAS 8 R1/2 | 41 | 21 | S22 |
| 10mm | 1/8 BSPT | TAS 10 R1/8 | 34.2 | 21 | S11 |
| 10mm | 1/4 BSPT | TAS 10 R1/4 | 37.5 | 21 | S14 |
| 10mm | 3/8 BSPT | TAS 10 R3/8 | 38.5 | 21 | S18 |
| 10mm | 1/2 BSPT | TAS 10 R1/2 | 41 | 21 | S22 |
| 12mm | 1/4 BSPT | TAS 12 R1/4 | 37.5 | 21 | S14 |
| 12mm | 3/8 BSPT | TAS 12 R3/8 | 38.5 | 21 | S18 |
| 12mm | 1/2 BSPT | TAS 12 R1/2 | 41 | 21 | S22 |
| Dimensions for Reference Use Only: Imperial fittings in mm, Metric fittings in mm, U.S.O. | |||||
Link to Stainless Steel Fittings Specification Guide
| Home | Terms of Use | Terms of Sale | Career | Contact Us | Click Here to Order |
|
Sizto Tech Corporation © 2001- All rights reserved. Sizto Tech Corporation © 2001-2016. All rights reserved. Last modified: May 10, 2016. Information contained herein may be changed without prior notification. |
|||||