STC Valve Inc Logo Flow Control Valve Stainless Steel Push In Elbow Fitting Stainless Steel Compression Fitting Pneumatic Air Valve Bronze Two Way Process Valve Stainless Steel Manual Ball Valve Stainless Steel Air Actuated Ball Valve Manual Four Way Air Valve Air Filter Regulator Lubricator Combination Contact Us
Support & Downloads
Home 1 Push In Fittings 2 Stainless Steel Fittings 3 Compr.&
Barb Fittings
4 Solenoid Valves 5 Process Valves 6 Manual
Ball Valves
7 Actuated Valves 8 Air Valves 9 Air Regulators Click Here
to Order

Call us at (650) 938-8833 or email us at Sales@StcValve.net.

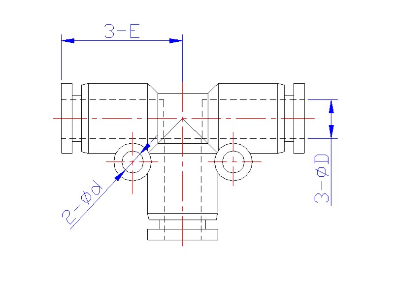
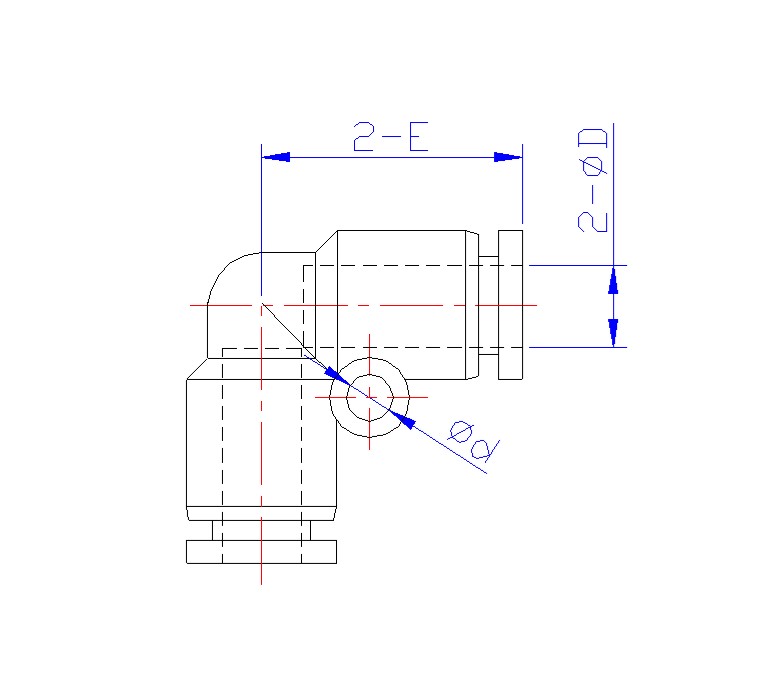
Model EUS: Elbow Union Stainless Steel Push In Fittings
Model SUS: Straight Union Stainless Steel Push In Fittings
Model TUS: Tee Union Stainless Steel Push In Fittings

Stainless Steel Fitting Dimensions

Model Elbow Union Straight Union Tee Union
EUS SUS TUS
ФD Part No. E Part No. B Part No. E
1/8"EUS 1/8 W20.2SUS 1/8 W34.5TUS 1/8 W20.2
5/32"EUS 5/32 W20.2SUS 5/32 W35.1TUS 5/32 W20.2
3/16"EUS 3/16 W22.6SUS 3/16 W38.05TUS 3/16 W22.6
1/4"EUS 1/4 W22.3SUS 1/4 W38.05TUS 1/4 W22.3
5/16"EUS 5/16 W23.9SUS 5/16 W42.7TUS 5/16 W24.1
3/8"EUS 3/8 W30.5SUS 3/8 W48.4TUS 3/8 W27.2
1/2"EUS 1/2 W32.2SUS 1/2 W52.5TUS 1/2 W31.9
4mmEUS 4 W20.2SUS 4 W35.1TUS 4 W20.2
6mmEUS 6 W22.3SUS 6 W38.05TUS 6 W22.3
8mmEUS 8 W23.9SUS 8 W42.7TUS 8 W24.1
10mmEUS 10 W30.5SUS 10 W48.4TUS 10 W27.2
12mmEUS 12 W32.2SUS 12 W52.5TUS 12 W31.9
Dimensions for Reference Use Only: Imperial fittings in mm, Metric fittings in mm, U.S.O.

Link to Stainless Steel Fittings Specification Guide


Home Terms of Use Terms of Sale Career Contact Us Click Here to Order
Sizto Tech Corporation © 2001- All rights reserved. Sizto Tech Corporation © 2001-2016. All rights reserved. Last modified: May 10, 2016.
Information contained herein may be changed without prior notification.